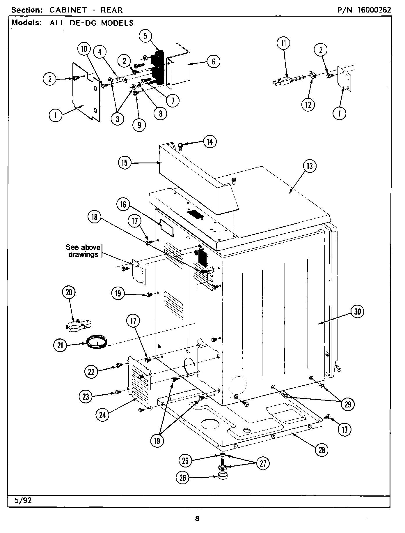
MDE26DAADG 04 – CABINET-REARadmin2025-04-26T09:58:11+00:00MDE26DAADG 04 – CABINET-REAR ProductsPositionProduct001MAY Y312905003WP112432 Whirlpool Nut Assembly004PART NOT USED005PART NOT USED006PART NOT USED007SCREW, No.10-24 X 3/4 INCH-----O008WPY311270 Whirlpool Washer TE010PART NOT USED012NOT REQUIRED PART OR SEE NOTE FUSE (NOT REQUIRED)014MAY 212276015MAY 307105016INSTRUCTION LABEL017MAY Y313561019MAY Y310632020MAY 301548021WP311155 Whirlpool Wire Assembly022MAY Y313559023WP90767 Whirlpool Screw024MAY Y312951025WP62739 Whirlpool Nut026WPY314137 Whirlpool Rubber Foot027W10176519 Whirlpool Leveling Feet028MAY Y303361029213007 Whirlpool Screw #12030DOWEL PIN FOR HANDLE