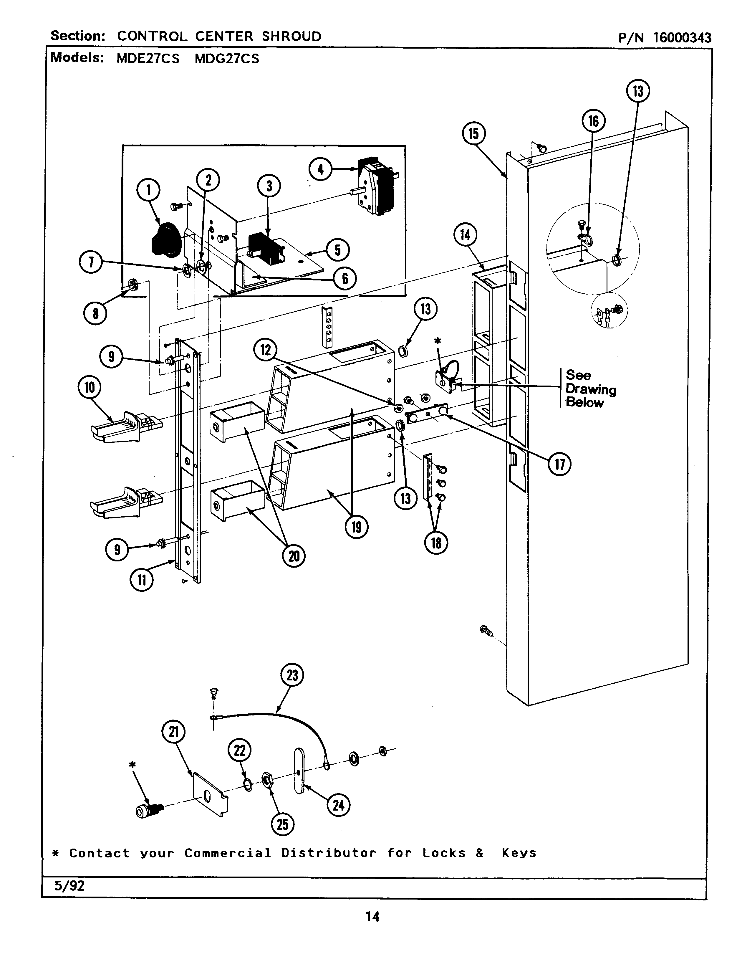
MDE27CSAEL 03 – CONTROL CENTER SHROUDadmin2025-04-26T09:57:39+00:00MDE27CSAEL 03 – CONTROL CENTER SHROUD ProductsPositionProduct001MAY 205663002WPW10139799 Whirlpool Washer003WPW10149462 Whirlpool Push-to-Start Switch004MAY 307253004WP488234 Whirlpool Air Conditioner Screw005MAY Y314261007MAY Y312706008MAY Y312702009INDICATOR LIGHT011MAY Y313424011MAY 315037012WP62739 Whirlpool Nut013MAY Y313671014MAY Y313559014WP90767 Whirlpool Screw014MAY Y310632014MAY 305534015WP98165 Whirlpool Screw016CABLE STRAP-HARNESS TO BASE017MAY 212276018MAY Y014872019MAY Y307081020COIN BOX-ALMOND020COIN BOX-WHITE021MAY 313428022DOWEL PIN FOR HANDLE023MAY Y303981023WPW10139210 Whirlpool Screw024MAY Y313427025W11395752 Whirlpool Nut