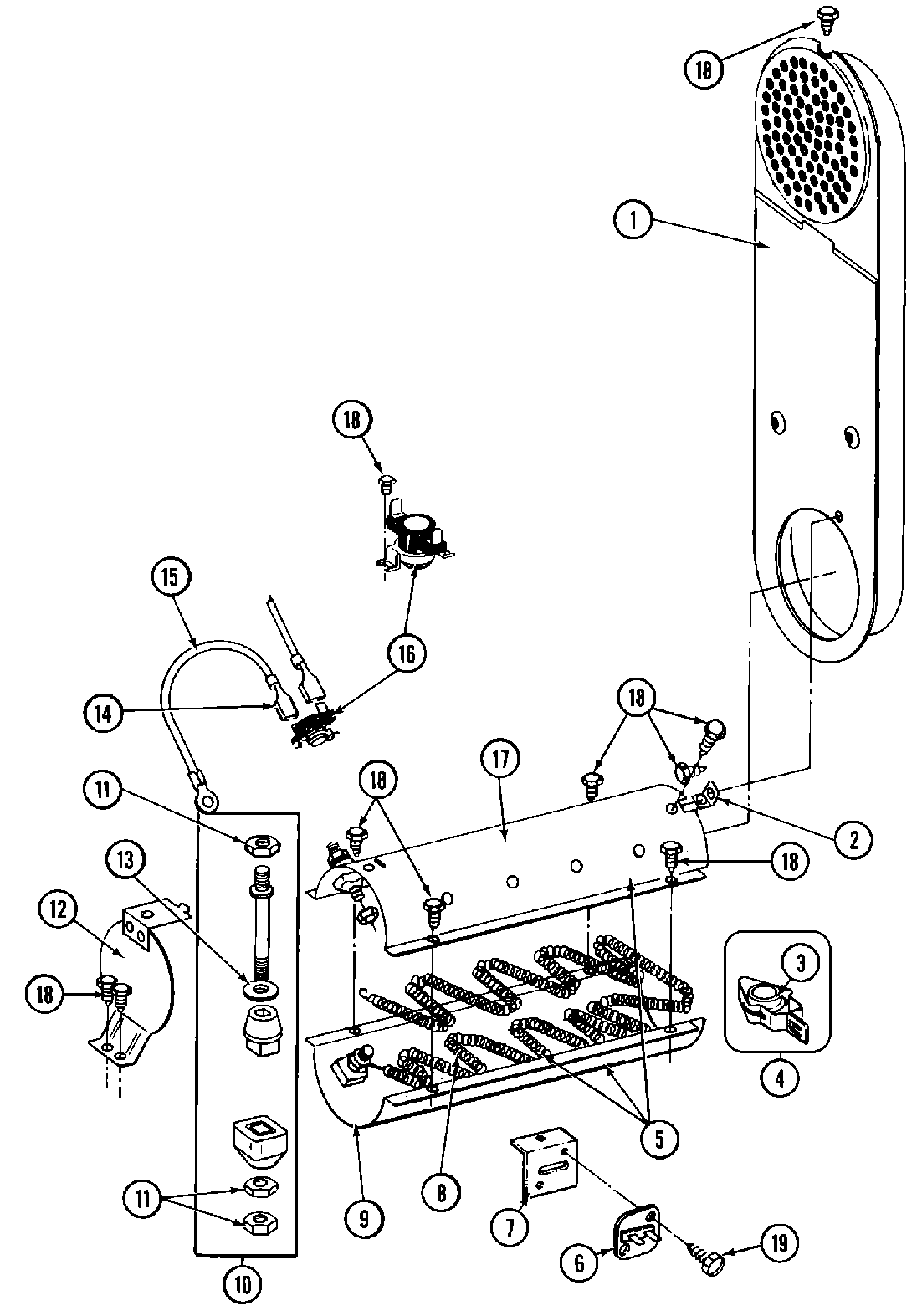
MDE27MNAFW 10 – HEATER (A0 SERIES)admin2025-04-26T10:00:07+00:00MDE27MNAFW 10 – HEATER (A0 SERIES) ProductsPositionProduct002MAY Y312890003MAY Y313270004WPY303881 Whirlpool Clip and Insulator005MAY 307471006WP307473 Whirlpool Thermal Fuse007MAY 315046008W10116793 Whirlpool Element009MAY Y313576010Y304596 Whirlpool Terminal Insulator Assembly011WP112432 Whirlpool Nut Assembly012MAY 304124013WP311093 Whirlpool Washer 7014MAY 210745015WPY304693 Whirlpool Wire Jumper016WP303896 Whirlpool High Limit Thermostat017MAY Y313575018WP90767 Whirlpool Screw019DOWEL PIN FOR HANDLE