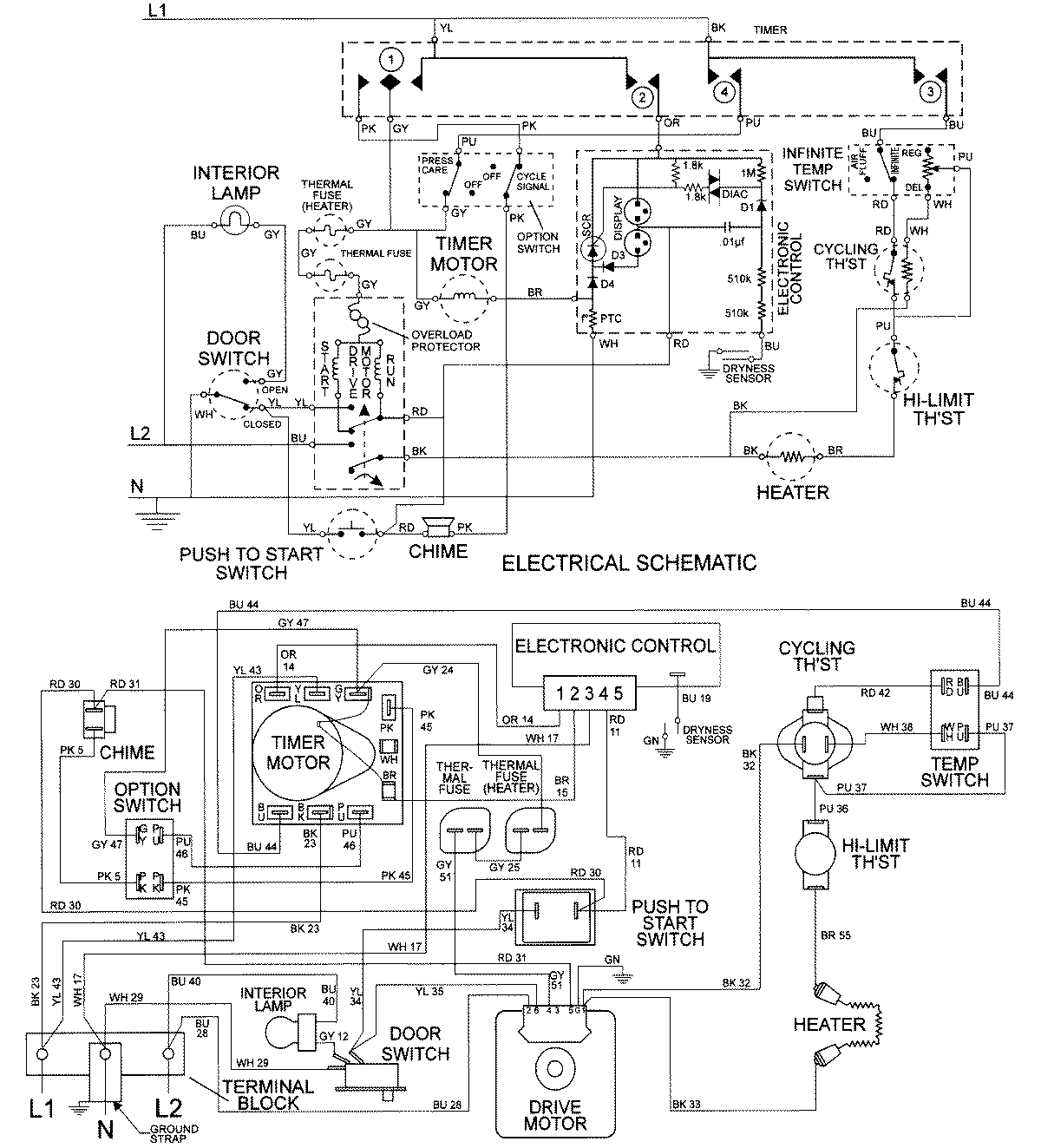
MDE3000AYW 08 – WIRING INFORMATIONadmin2025-04-26T09:58:08+00:00MDE3000AYW 08 – WIRING INFORMATION ProductsPositionProductNIMAY 15002203