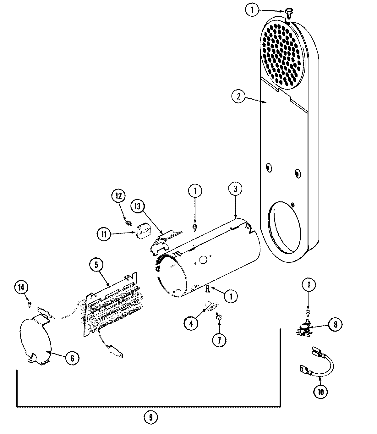
MDE3600AYQ 05 – HEATER