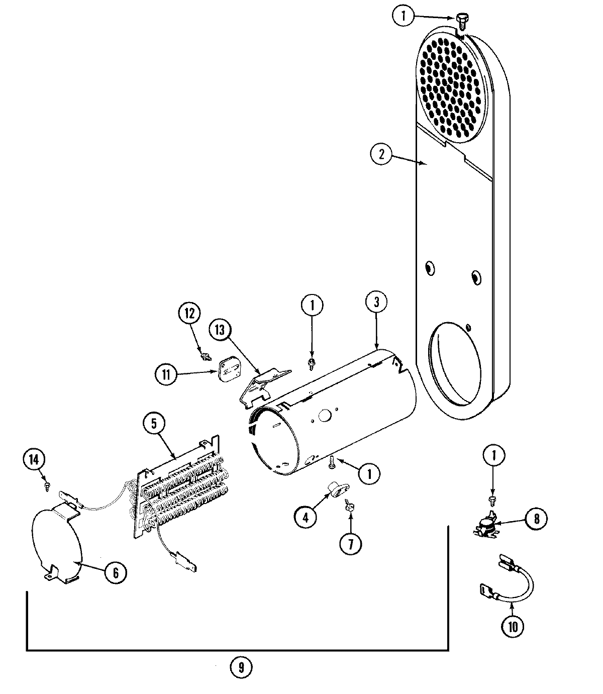
MDE3600AZW 05 – HEATER