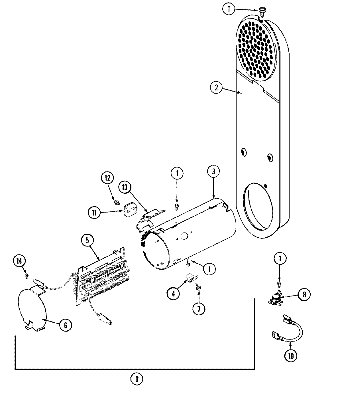
MDE4000AYW 05 – HEATER