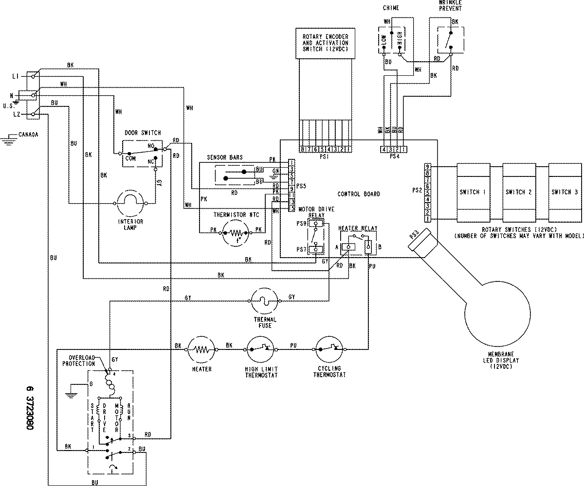
MDE4658AYW 06 – WIRING INFORMATIONadmin2025-04-26T09:58:41+00:00MDE4658AYW 06 – WIRING INFORMATION ProductsPositionProductNIMAY 15003775