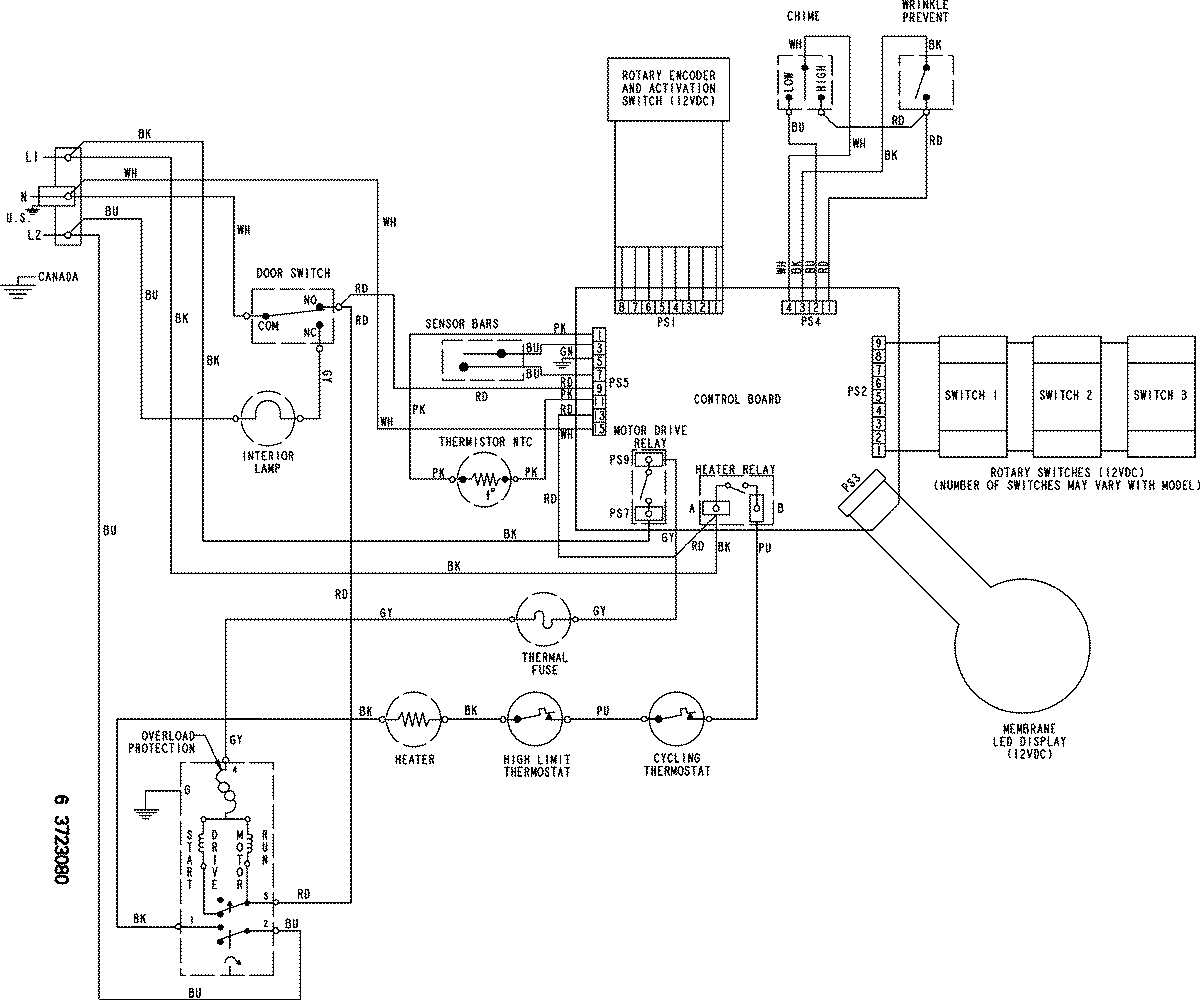
MDE4806AYW 06 – WIRING INFORMATIONadmin2025-04-26T09:59:10+00:00MDE4806AYW 06 – WIRING INFORMATION ProductsPositionProductNIMAY 15003775