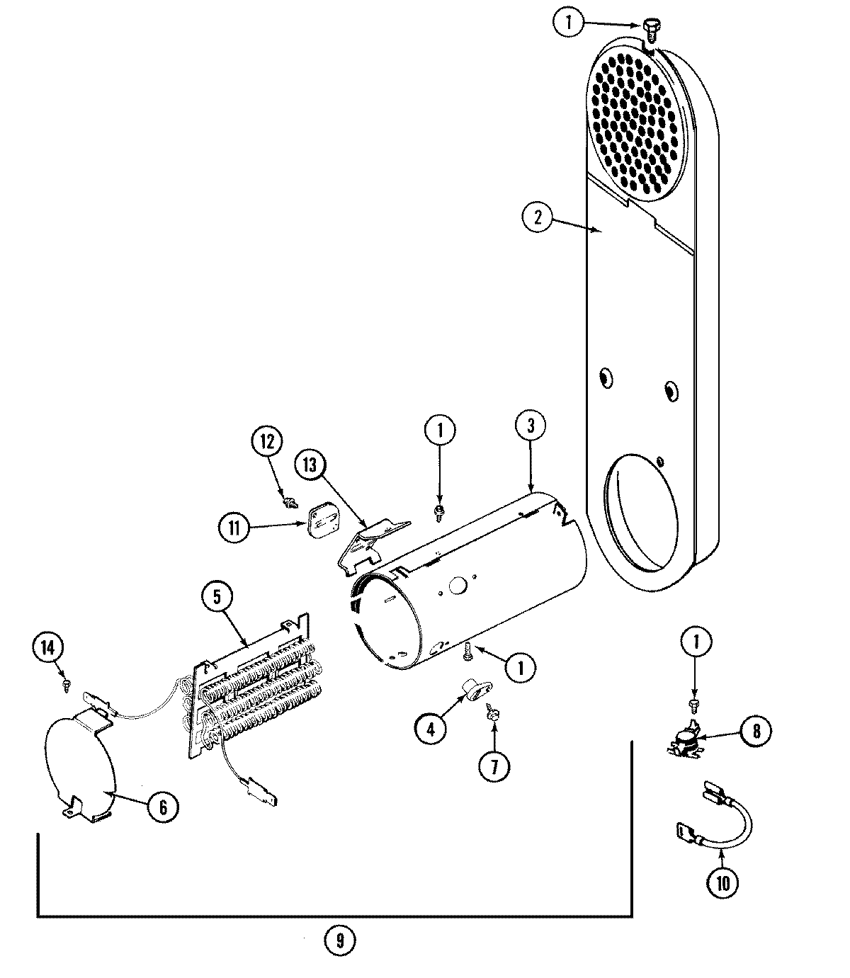
MDE5000AZW 05 – HEATER