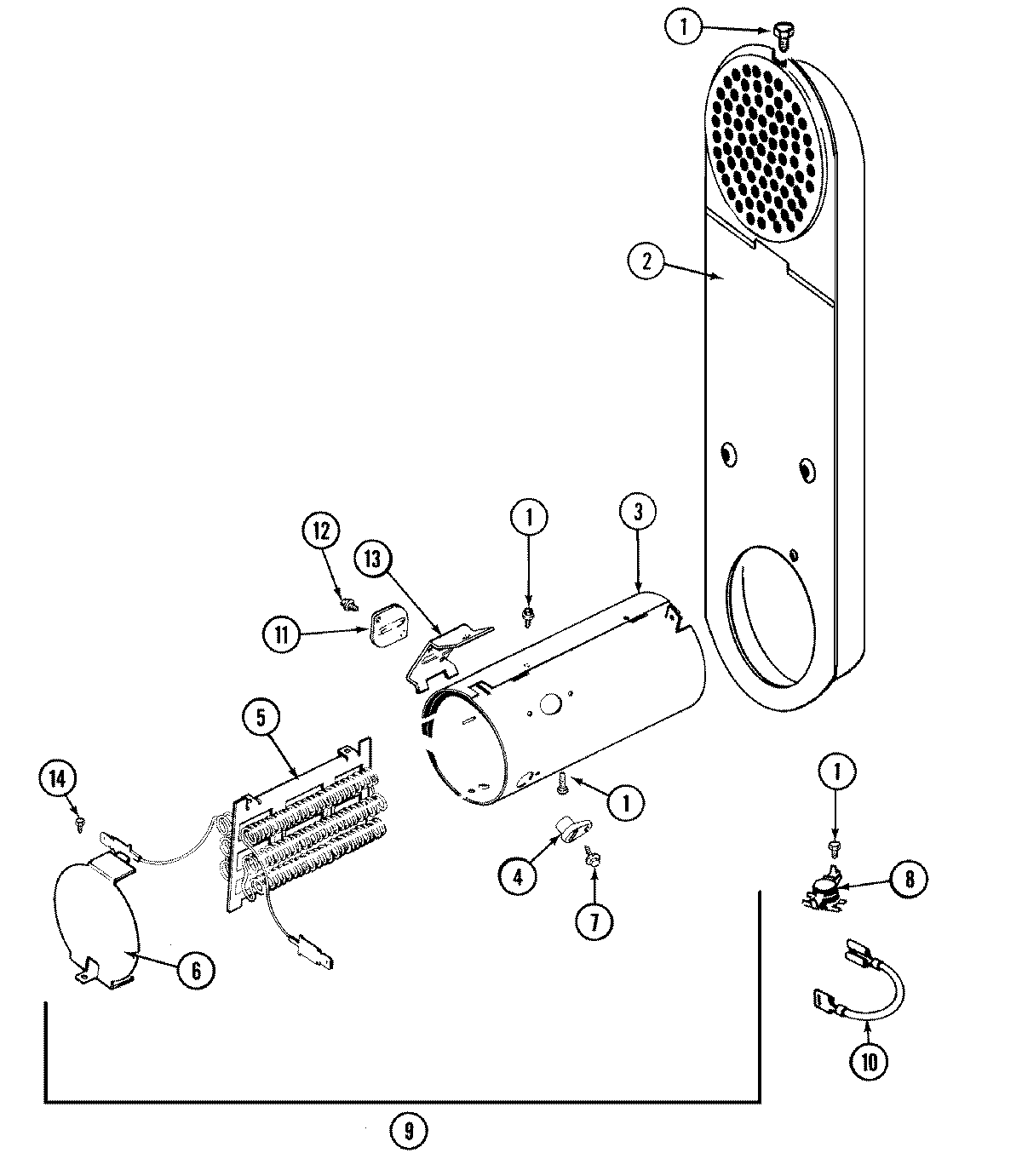
MDE5500AYW 04 – HEATER