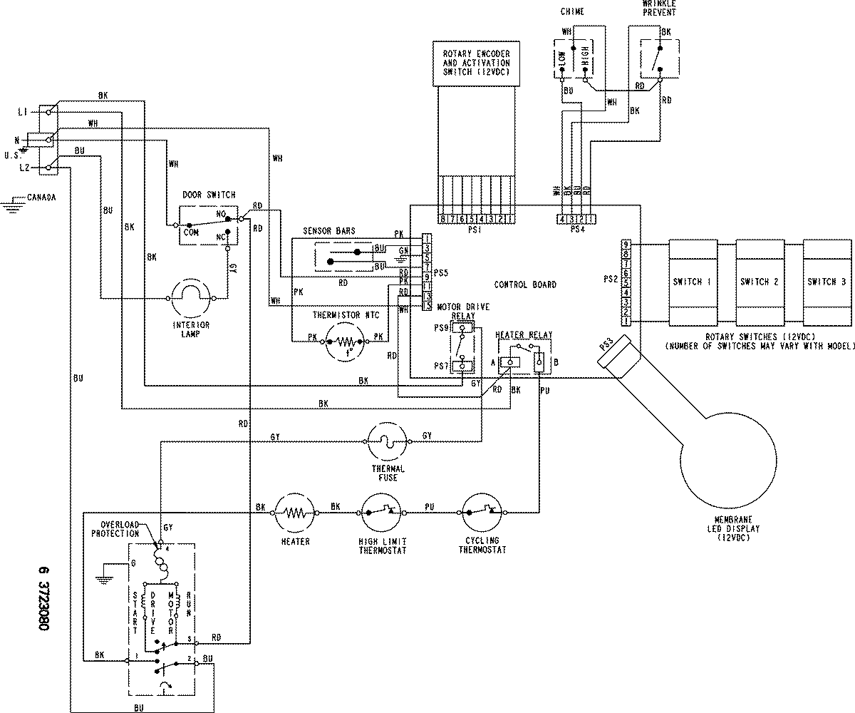
MDE5806AZK 06 – WIRING INFORMATIONadmin2025-04-26T09:59:56+00:00MDE5806AZK 06 – WIRING INFORMATION ProductsPositionProductNIMAY 15003775