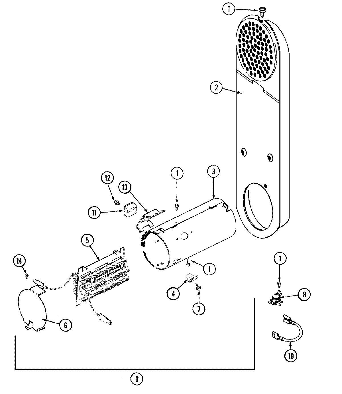
MDE6000AYW 05 – HEATER