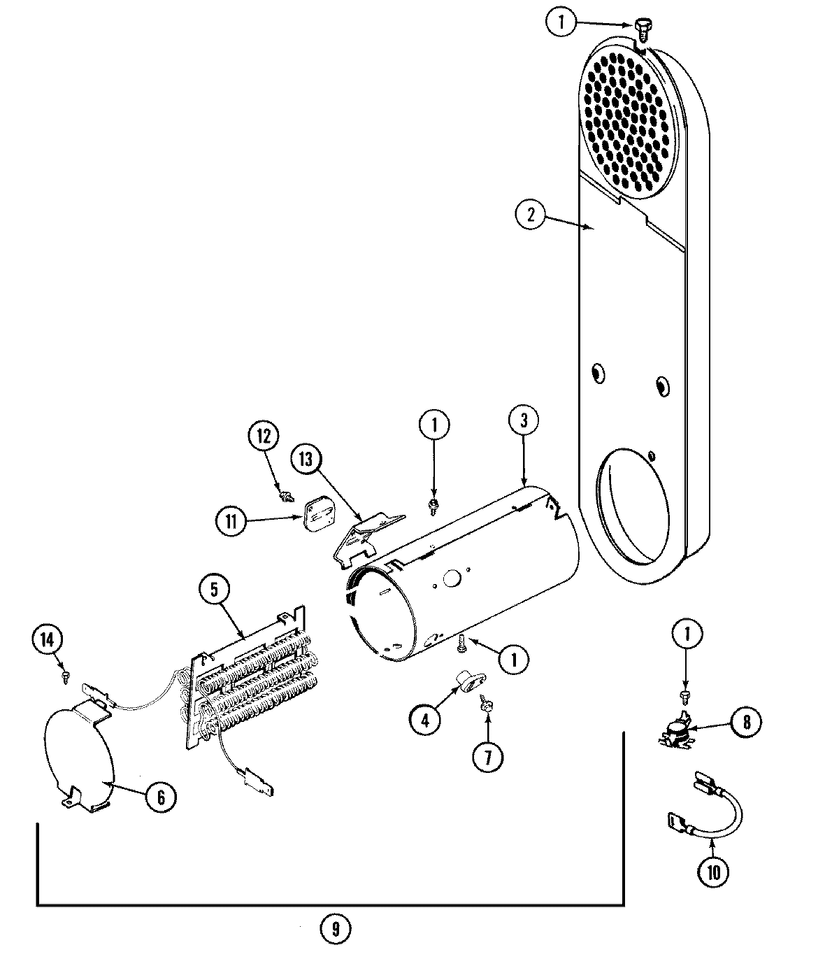
MDE6200AYQ 05 – HEATER