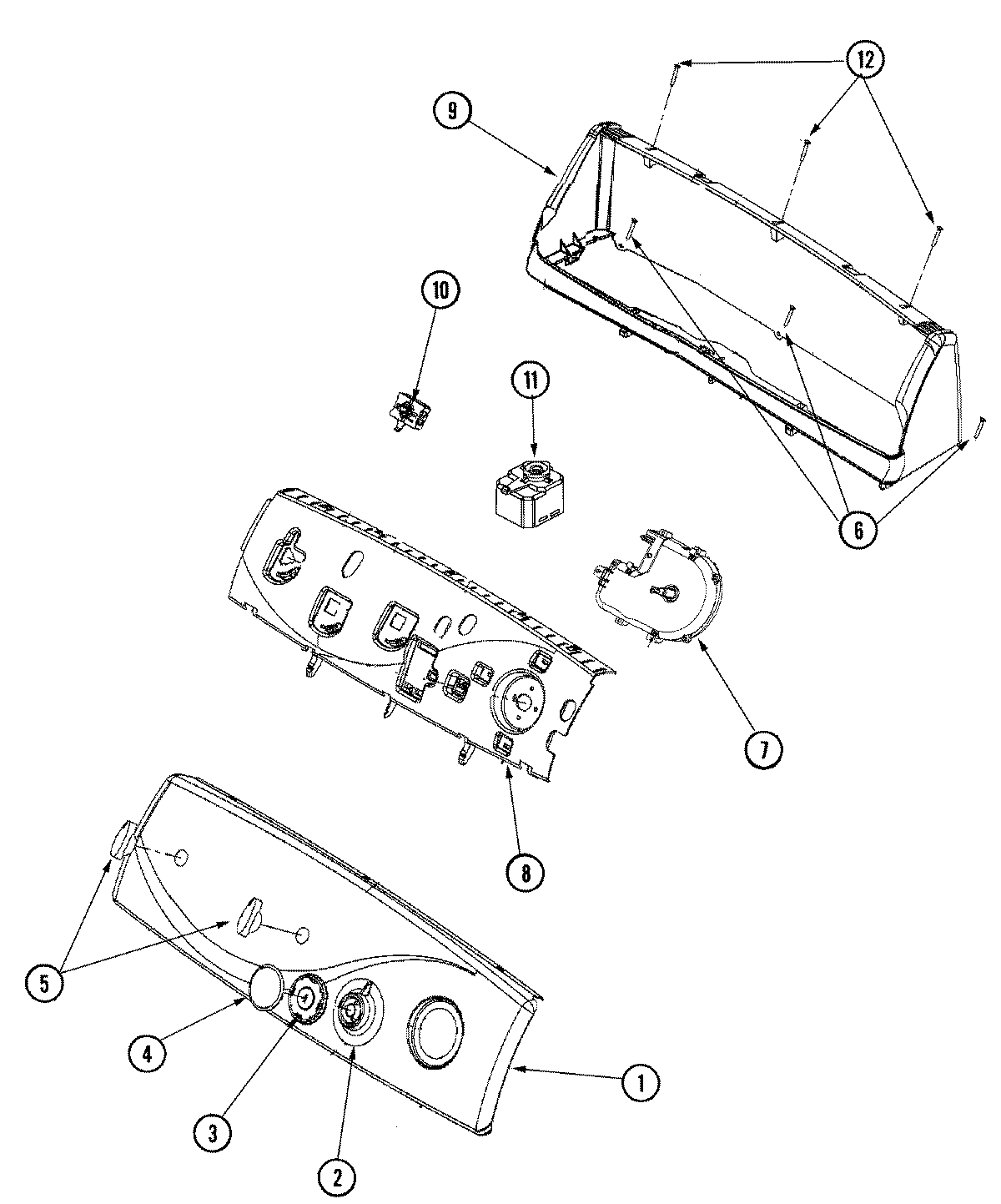
MDE6460AYW 02 – CONTROL PANELadmin2025-04-26T10:00:00+00:00MDE6460AYW 02 – CONTROL PANEL ProductsPositionProduct1MAY 330027262MAY 220039533WP22003993 Whirlpool Timer Knob4WP22003989 Whirlpool Insert Assembly5WP22003987 Whirlpool Knob Control63804FFSS Supco Inlet Hose 3/8" x 4' Female/Female Stainless Steel7MAY 330028038MAY 330027389MAY 2200396010WP33002725 Whirlpool 4 Position Rotor11MAY 33002750128534058 Whirlpool Refrigerator Screw