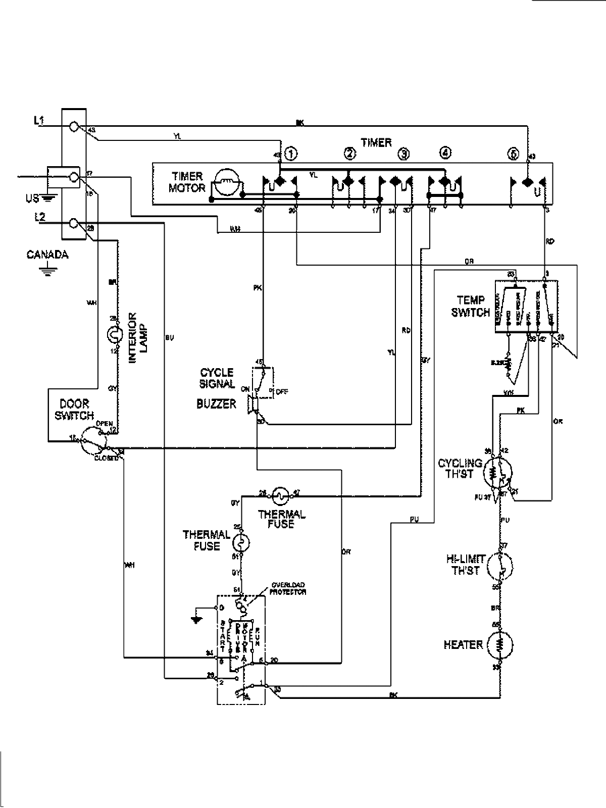
MDE6657BYQ 08 – WIRING INFORMATIONadmin2025-04-26T09:59:40+00:00MDE6657BYQ 08 – WIRING INFORMATION ProductsPositionProduct1MAY 15003277