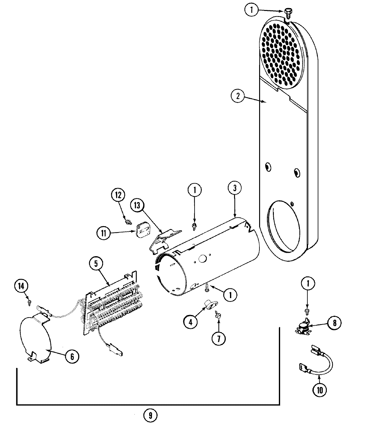
MDE7657AYQ 06 – HEATER