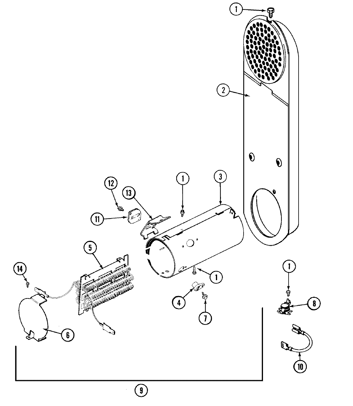
MDE7657AYW 06 – HEATER