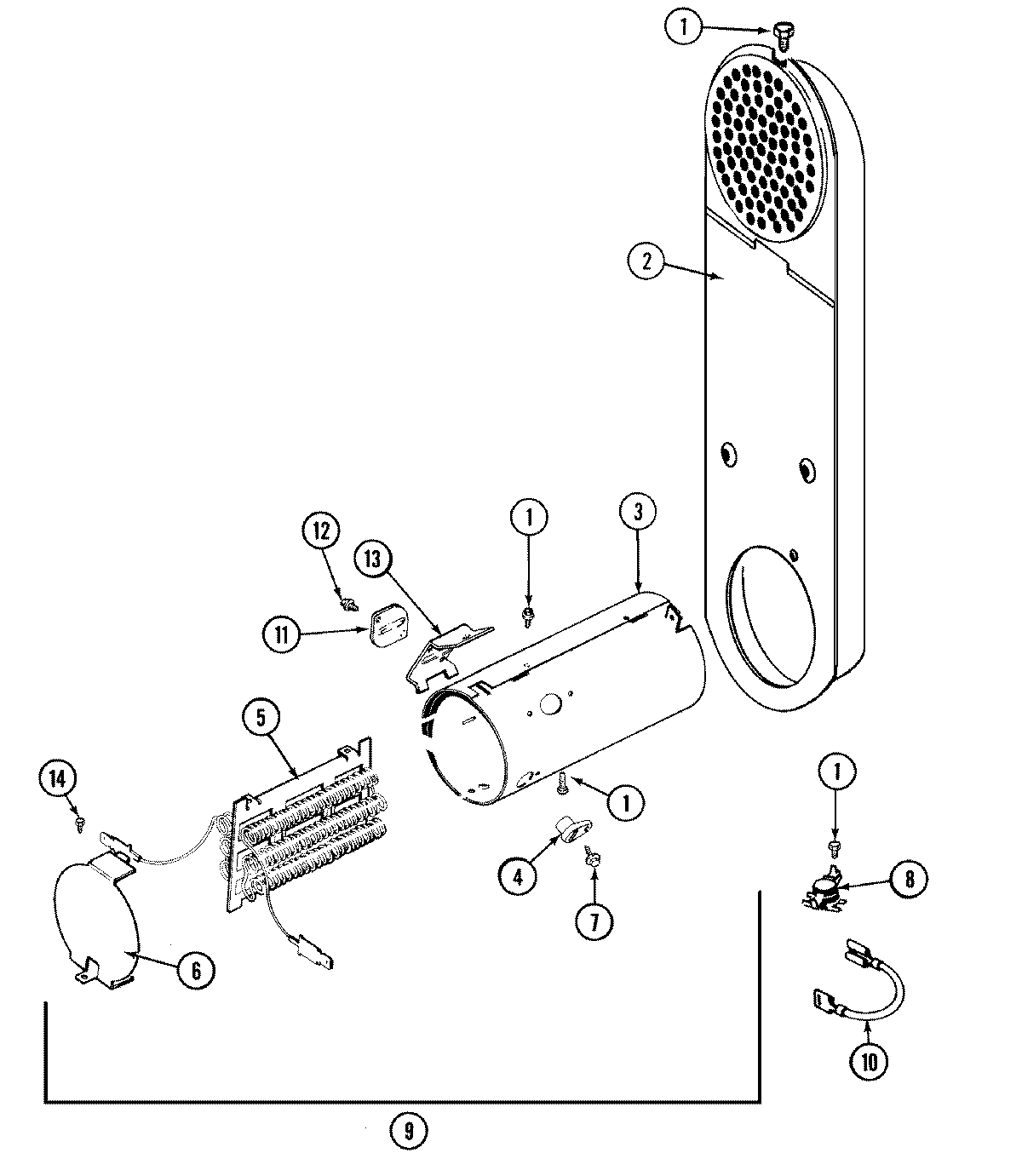
MDE7657BYQ 04 – HEATER