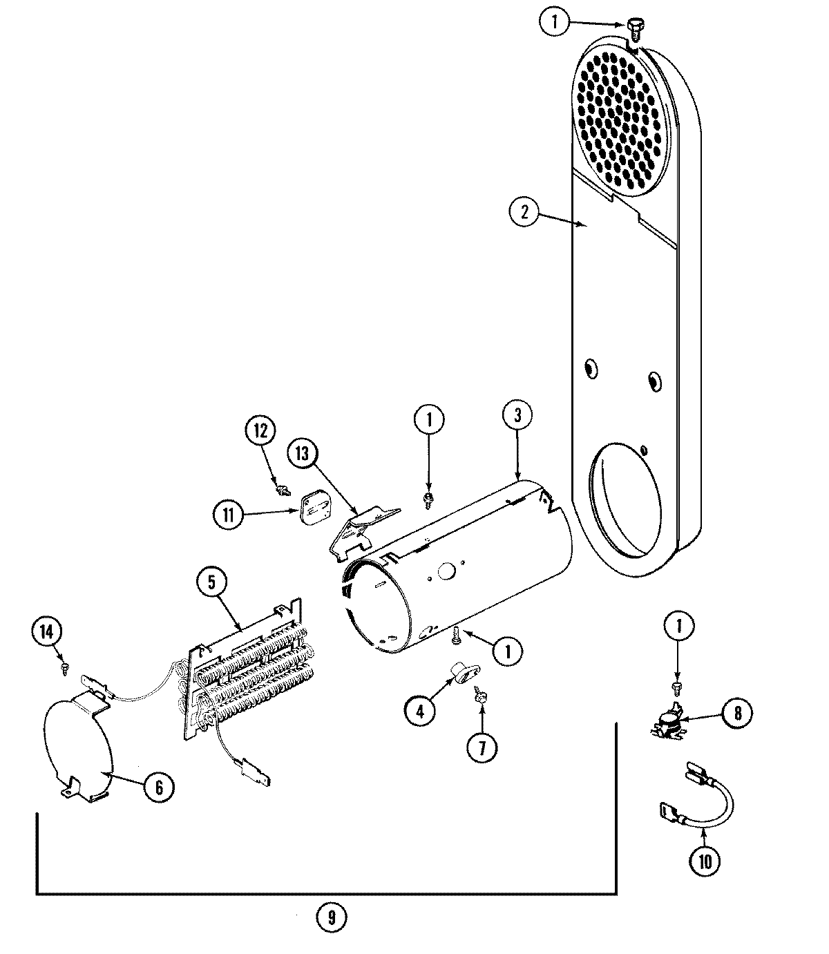
MDE7758AYQ 04 – HEATER