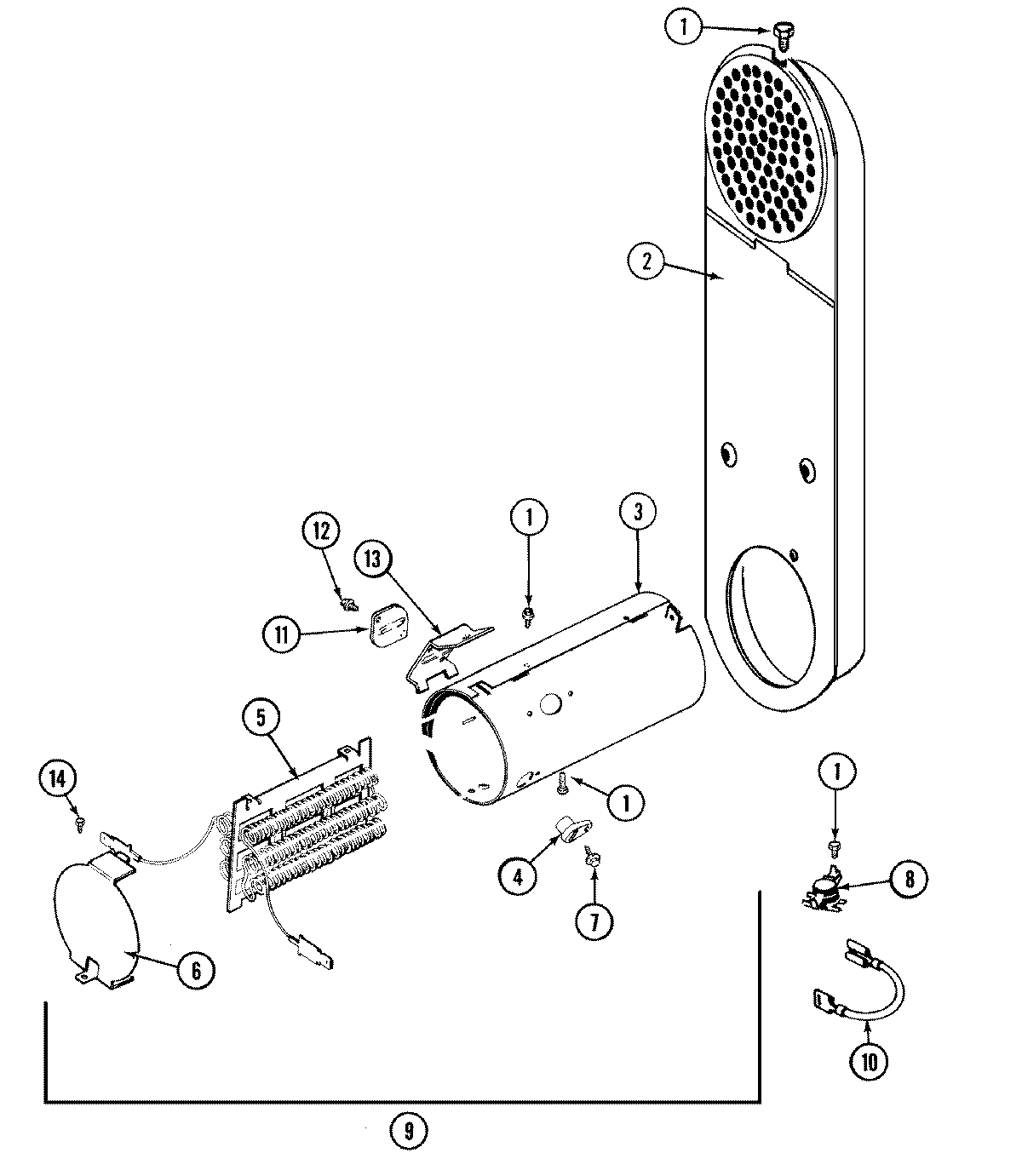
MDE8058AYW 05 – HEATER