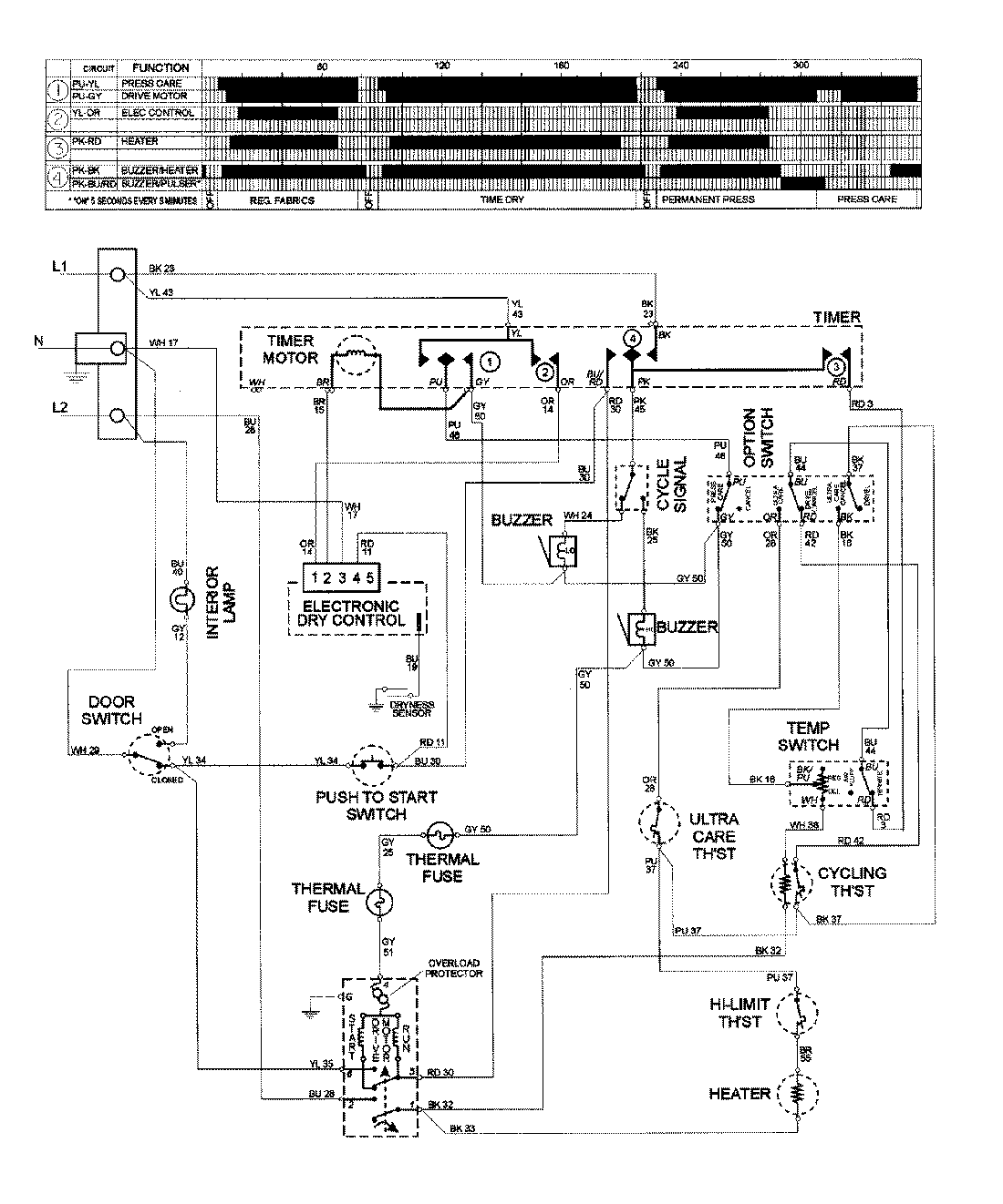
MDE8058AYW 08 – WIRING INFORMATIONadmin2025-04-26T09:58:58+00:00MDE8058AYW 08 – WIRING INFORMATION ProductsPositionProductNIMAY 15002671