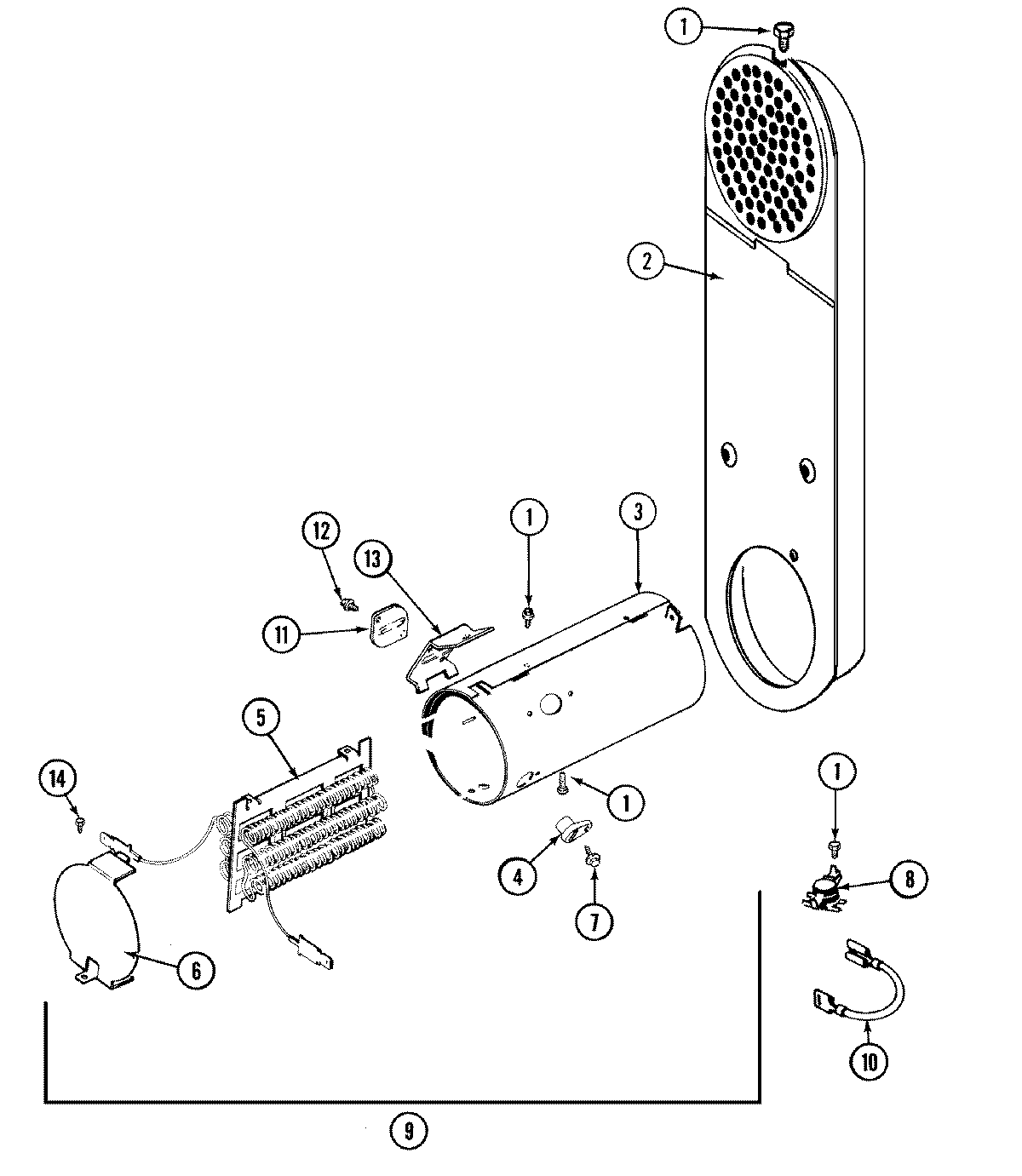
MDE8416AYA 05 – HEATER