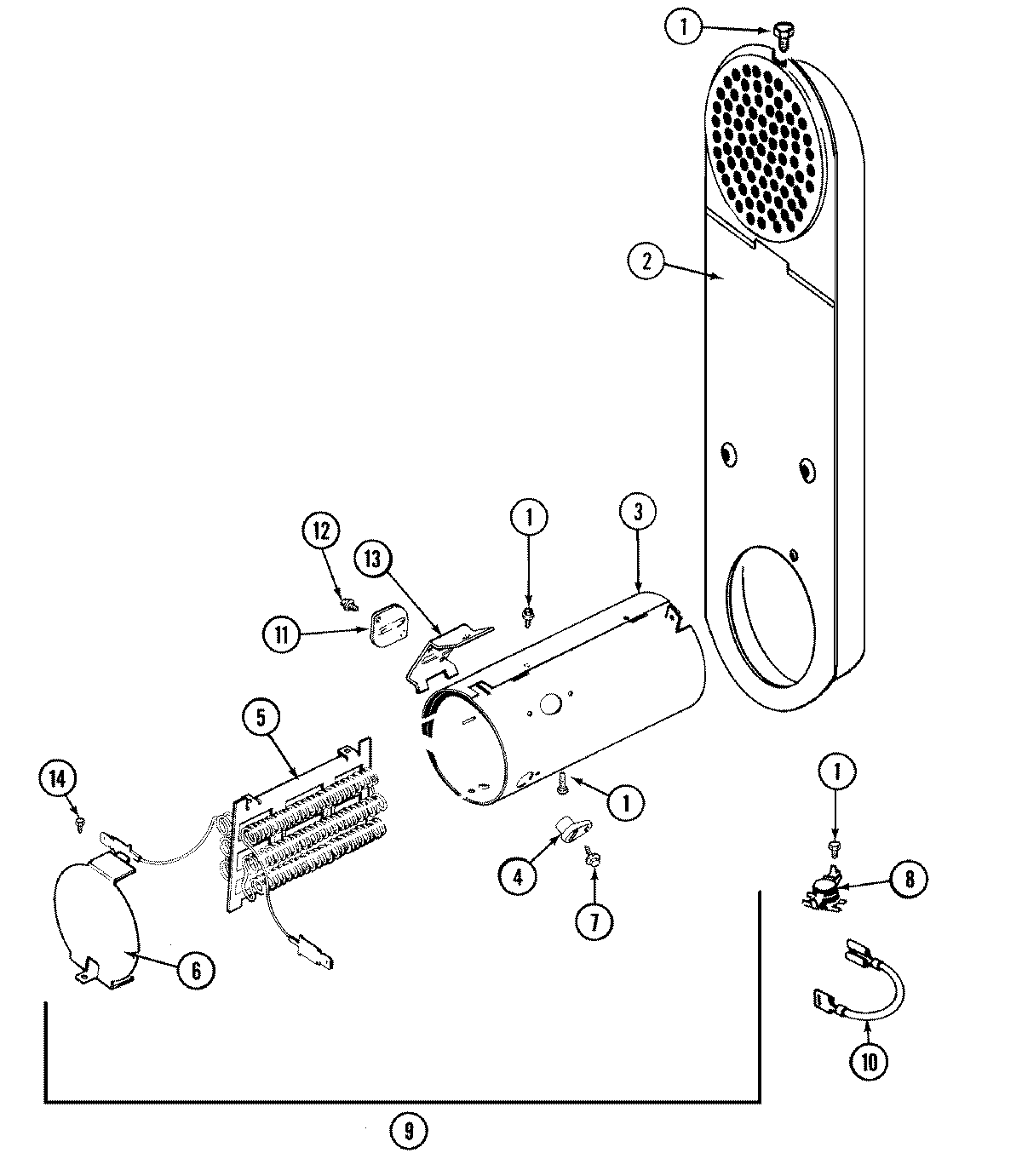
MDE8506AZW 05 – HEATER