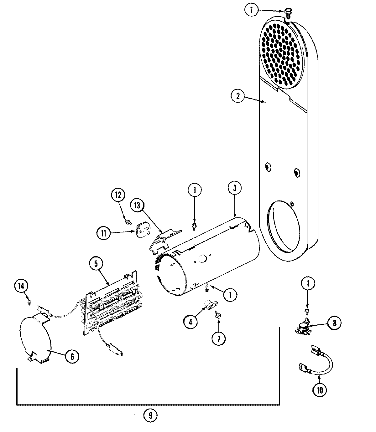
MDE9306AYA 05 – HEATER