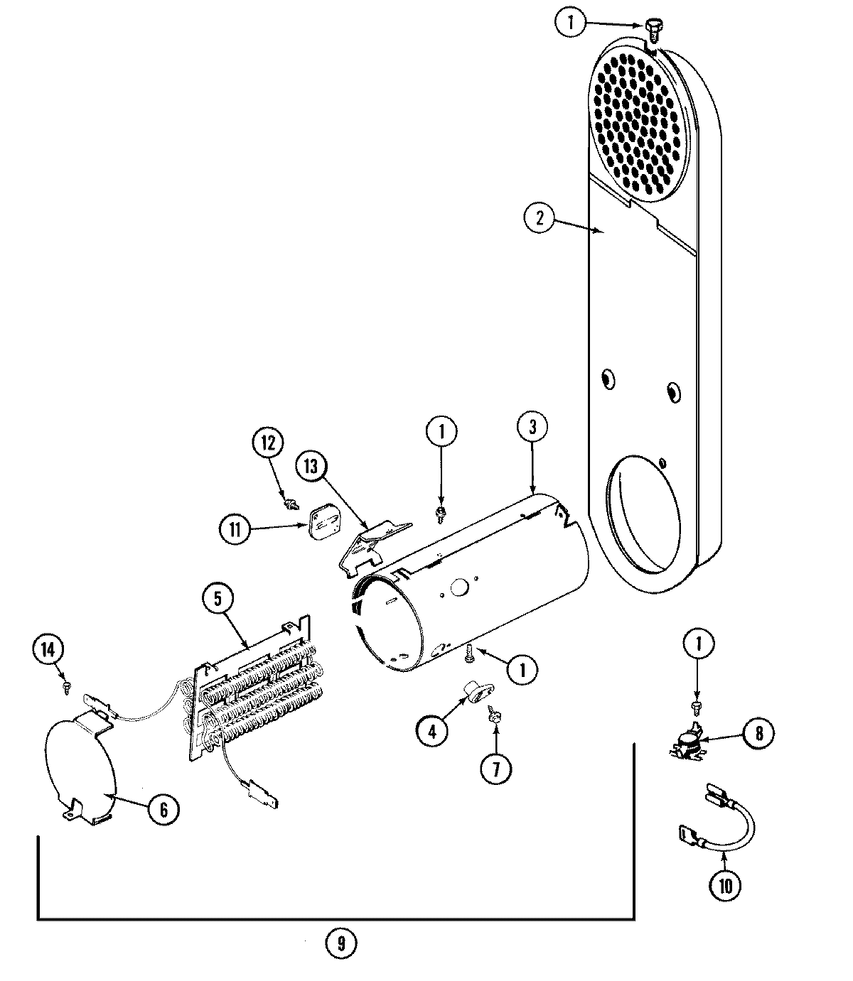
MDE9316AZW 08 – HEATER