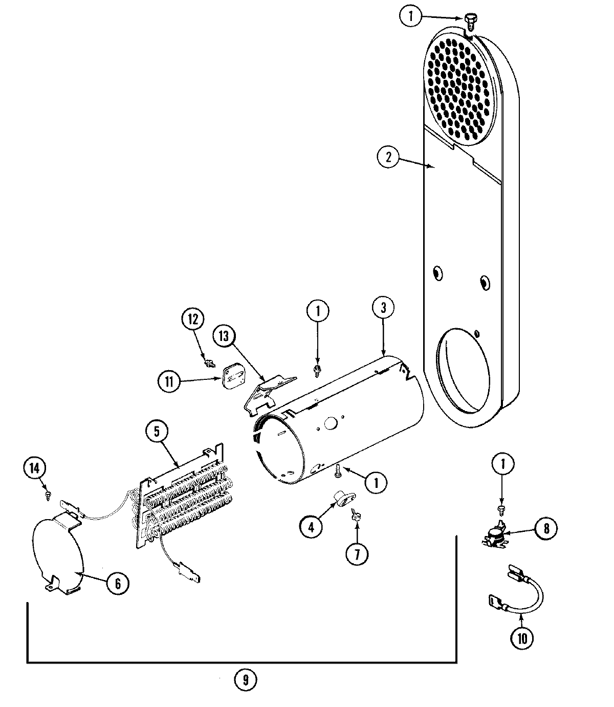
MDE9357AYW 05 – HEATER