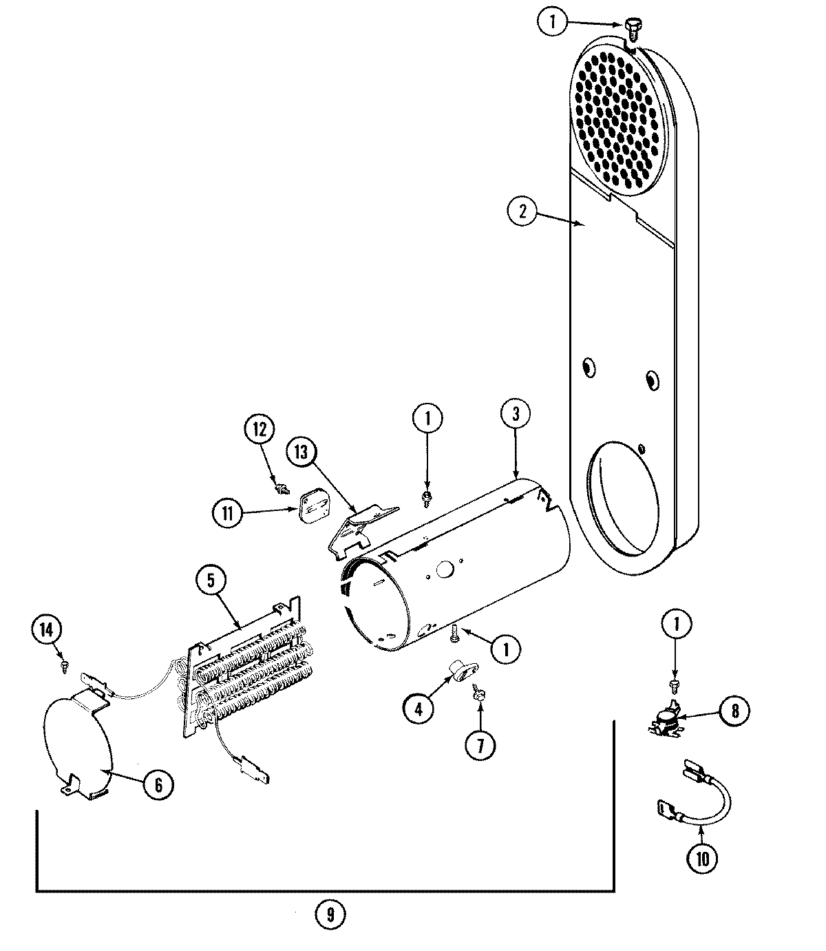
MDE9606AZQ 05 – HEATER (BSQ)admin2025-04-26T10:02:07+00:00MDE9606AZQ 05 – HEATER (BSQ) ProductsPositionProduct1WP90767 Whirlpool Screw2MAY 330018033MAY 3149954MAY 3149985MAY 3071846MAY 3149997MAY 3145548WP303396 Whirlpool Thermostat9WP307178 Whirlpool Element10WPY307173 Whirlpool Wire Jumper11WP307473 Whirlpool Thermal Fuse13MAY 31534614WP489128 Whirlpool Refrigerator Screw14MAY Y308590