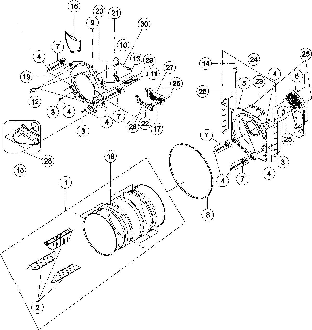
| 1 | MAY 35001130 |
| 2 | Baffle-Drum |
| 3 | MAY 35001132 |
| 5 | MAY 35001134 |
| 6 | MAY 35001240 |
| 6 | Air Duct Assembly |
| 7 | WPW10177428 Whirlpool Support Roller with Axle |
| 8 | WPW10205415 Whirlpool Drum Belt |
| 9 | MAY 35001149 |
| 10 | WP22002263 Whirlpool Dryer 10W Light Bulb |
| 11 | MAY 35001150 |
| 12 | MAY 6046-000310 |
| 13 | MAY 35001139 |
| 14 | HOLDER-WIRE (RETAINER/CLIP) |
| 15 | MAY 35001140 |
| 16 | WP35001141 Whirlpool Screen |
| 17 | MAY 35001142 |
| 18 | MAY 6002-001204 |
| 19 | MAY 34001211 |
| 20 | Screw-Tapping (4) |
| 21 | MAY 35001143 |
| 22 | MAY 35001144 |
| 23 | MAY 35001145 |
| 24 | Channel Bracket, Rear Bulkhead (2) |
| 25 | 6002-000239 Samsung Appliance Tapping Screw TH + No 2S M4 |
| 26 | MAY 35001147 |
| 28 | Screw-Tapping (5) |
| 29 | MAY 6002-001320 |
| 30 | MAY 35001148 |