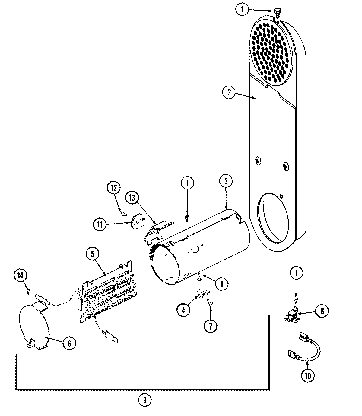
MDE9766AZW 05 – HEATER