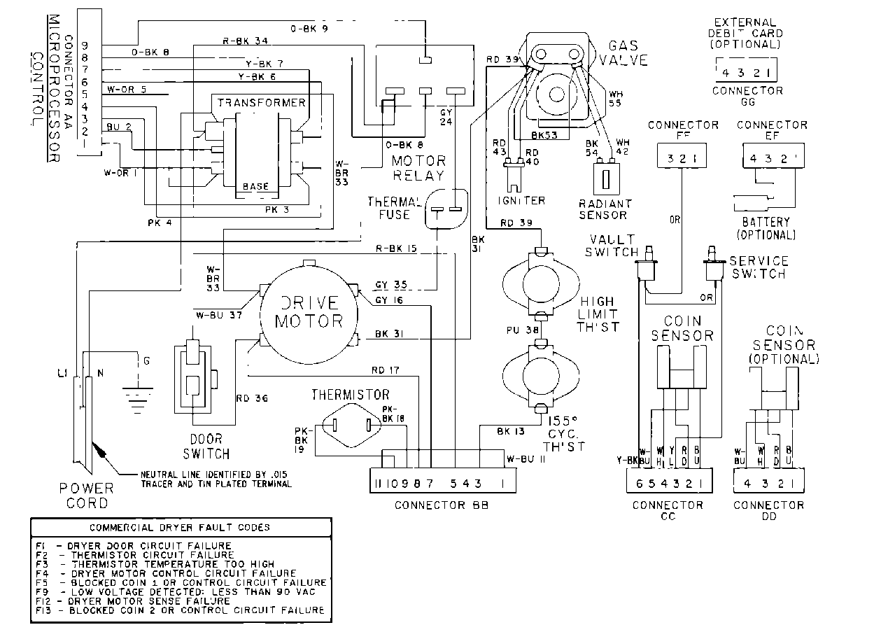
MDG10PDAAL 10 – WIRING INFORMATIONadmin2025-04-26T10:10:04+00:00MDG10PDAAL 10 – WIRING INFORMATION ProductsPositionProduct001DOWEL PIN FOR HANDLE