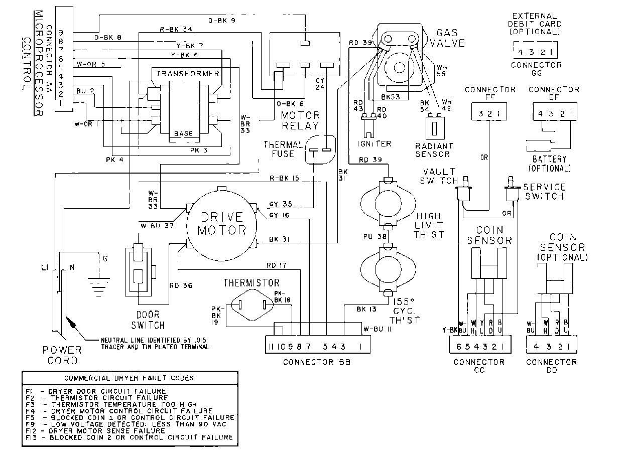
MDG10PDABW 10 – WIRING INFORMATIONadmin2025-04-26T10:06:39+00:00MDG10PDABW 10 – WIRING INFORMATION ProductsPositionProduct001DOWEL PIN FOR HANDLE