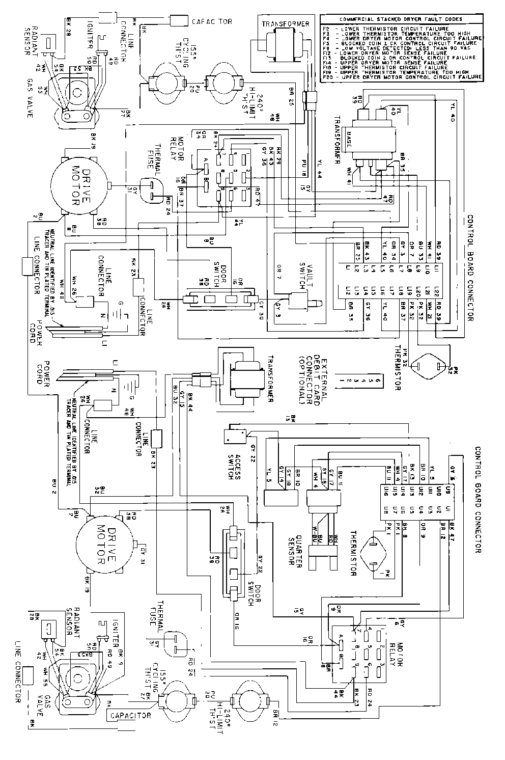
MDG13PDEGW 08 – WIRING INFORMATIONadmin2025-04-26T10:08:53+00:00MDG13PDEGW 08 – WIRING INFORMATION ProductsPositionProduct001DOWEL PIN FOR HANDLE