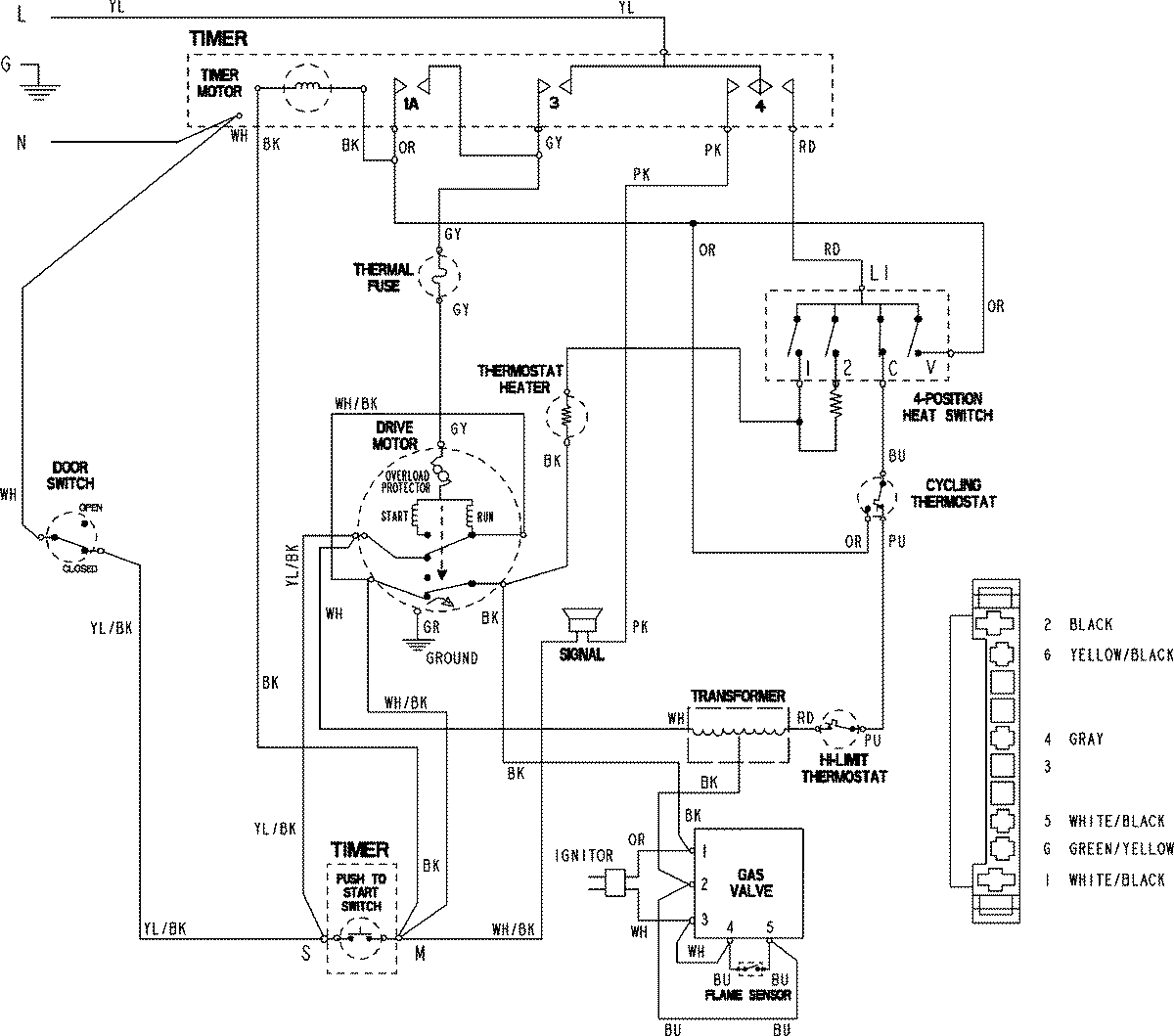
MDG208DAWW 06 – WIRING INFORMATIONadmin2025-04-26T10:10:40+00:00MDG208DAWW 06 – WIRING INFORMATION ProductsPositionProductNIMAY 15003849