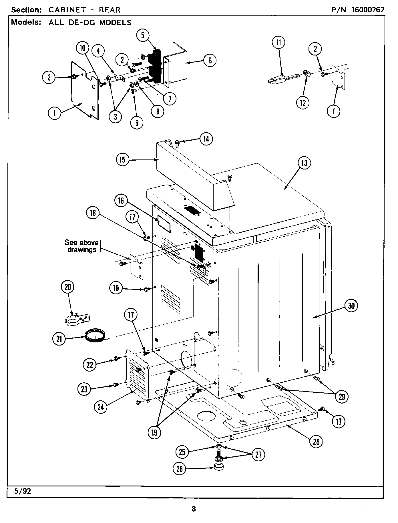
MDG26DAAAW 04 – CABINET-REARadmin2025-04-26T10:12:52+00:00MDG26DAAAW 04 – CABINET-REAR ProductsPositionProduct001MAY Y312905010NOT REQUIRED PART OR SEE NOTE FUSE (NOT REQUIRED)011MAY 302521012GROMMET014MAY 212276015MAY 307105016INSTRUCTION LABEL017MAY Y313561019MAY Y310632020MAY 301548021WP311155 Whirlpool Wire Assembly022MAY Y313559023WP90767 Whirlpool Screw024MAY Y312951025WP62739 Whirlpool Nut026WPY314137 Whirlpool Rubber Foot027W10176519 Whirlpool Leveling Feet028MAY Y303361029213007 Whirlpool Screw #12030DOWEL PIN FOR HANDLE