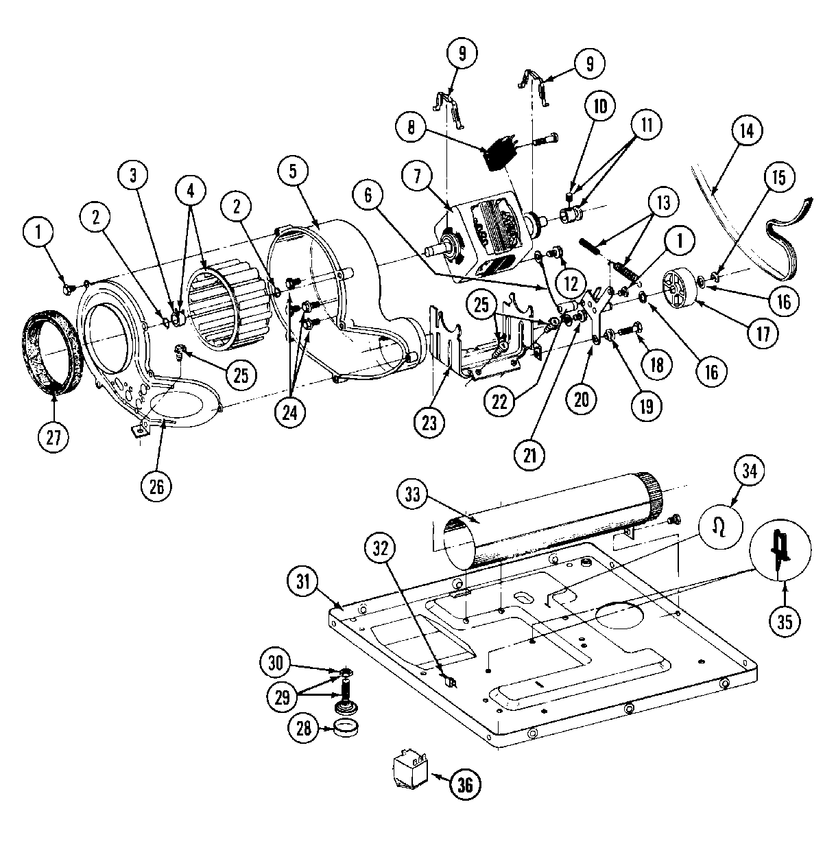
MDG26MNAGG 06 – MOTOR DRIVE\BLOWER\BASE FRAMEadmin2025-04-26T10:11:44+00:00MDG26MNAGG 06 – MOTOR DRIVE\BLOWER\BASE FRAME ProductsPositionProduct001WPW10116751 Whirlpool Screw002WP9703438 Whirlpool Snap Retaining Ring003WP312967 Whirlpool Clamp004Y303836 Whirlpool Dryer Blower Wheel005MAY Y312893006MAY 901220007MAY Y304656008MAY Y303879008MAY Y303877009WPY015825 Whirlpool Motor Clip010MAY Y053241011MAY 305186012MAY 910343013MAY Y303945014WPY312959 Whirlpool Dryer Drum Belt015WP354987 Whirlpool C-Clip016MAY Y312527017WP6-3037050 Whirlpool Idler Pulley018WPY014874 Whirlpool Screw019SLEEVE, IDLER ARM ----S020WP6-3033630 Whirlpool Dryer Idler Arm Assembly021WP90767 Whirlpool Screw022WPW10116756 Whirlpool Spacer023DOWEL PIN FOR HANDLE024MAY Y310632025MAY Y313561026COVER, BLOWER027WPY312901 Whirlpool Blow Seal028WP210684 Whirlpool Dishwasher Leveling Leg Pad029LEG, ADJUSTABLE (W/NUT)---S030WP210385 Whirlpool Lock Nut031MAY Y303361032MAY Y310376033MAY Y303442034MAY 410490035MAY Y313262036MAY 306199