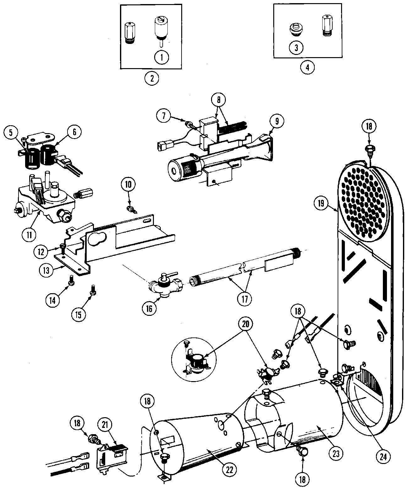
MDG26PCABL 07 – GAS VALVEadmin2025-04-26T10:12:18+00:00MDG26PCABL 07 – GAS VALVE ProductsPositionProduct001MAY 306184002CONVERSION KIT (NAT TO LP)003WP694424 Whirlpool Limiter004MAY Y308377006279834 Whirlpool Dryer Gas Valve Solenoid Coil Kit007MAY 3049710084391996 Whirlpool Dryer Flat Igniter009MAY 304974010MAY Y310632011WP308345 Whirlpool Gas Valve Assembly012MAY Y313561013MAY 314566014MAY 314082015MAY Y313559016MAY Y303349017MAY Y303383018WP90767 Whirlpool Screw019MAY Y308504019MAY 307119020WP305169 Whirlpool Thermostat021WP338906 Whirlpool Dryer Gas Sensor022MAY Y308548022MAY Y303368023MAY Y303841024MAY Y312890