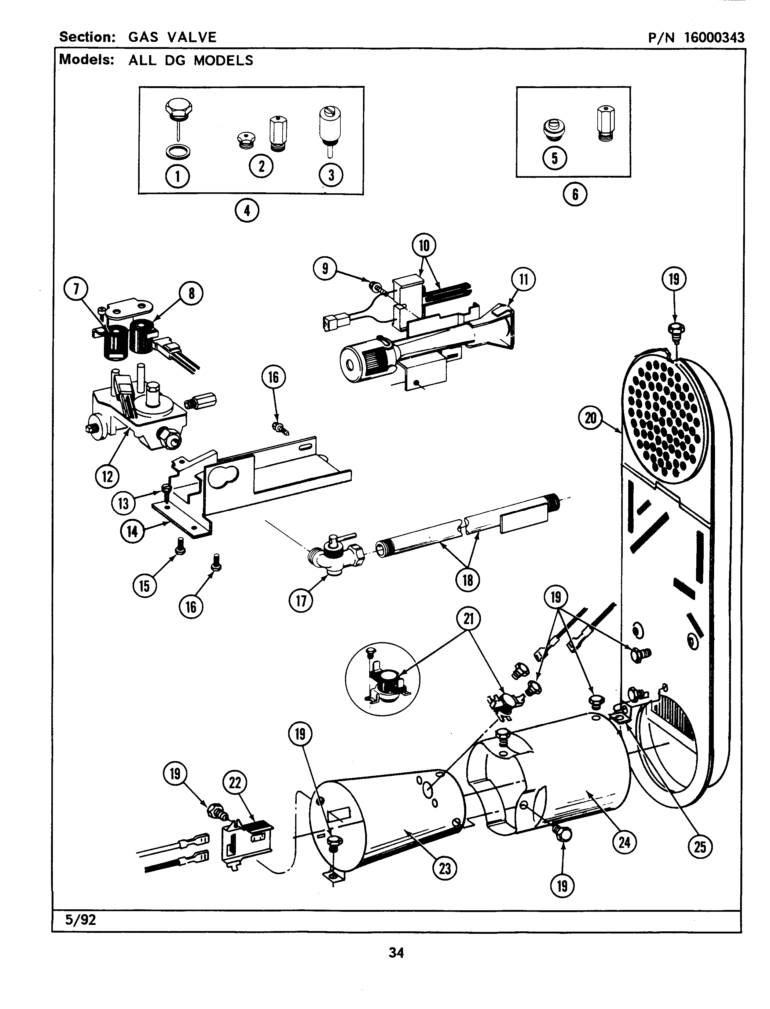
MDG27CSAGL 08 – GAS VALVEadmin2025-04-26T10:11:33+00:00MDG27CSAGL 08 – GAS VALVE ProductsPositionProduct003MAY 306184004CONVERSION KIT (NAT.TO LP)005WP694424 Whirlpool Limiter006WP33002924 Whirlpool LP Conversion Gas008279834 Whirlpool Dryer Gas Valve Solenoid Coil Kit009MAY 3049710104391996 Whirlpool Dryer Flat Igniter011MAY 304974011MAY Y308457012MAY 307927013MAY Y313561014MAY 314566015MAY 314082016MAY Y310632017MAY Y303349018MAY Y303383019WP90767 Whirlpool Screw020MAY 307119020MAY Y308504021WP305169 Whirlpool Thermostat022WP338906 Whirlpool Dryer Gas Sensor023MAY Y308549023DOWEL PIN FOR HANDLE024MAY Y303841025MAY Y312890