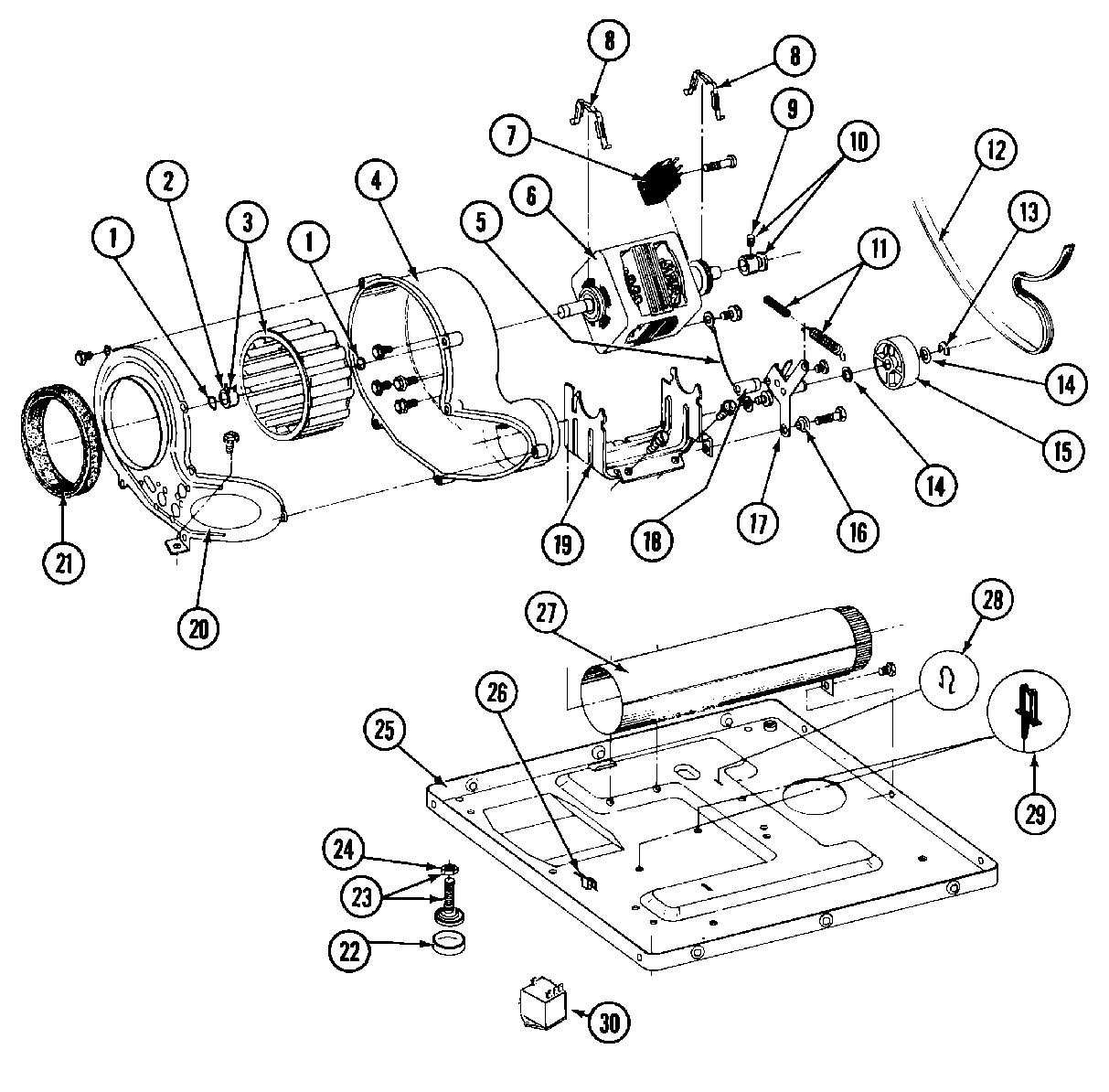
MDG27CSAGL 09 – MOTOR, BLOWER & BASE FRAMEadmin2025-04-26T10:11:52+00:00MDG27CSAGL 09 – MOTOR, BLOWER & BASE FRAME ProductsPositionProduct001WP9703438 Whirlpool Snap Retaining Ring002WP312967 Whirlpool Clamp003Y303836 Whirlpool Dryer Blower Wheel004MAY Y312893005MAY 910343005MAY 901220006MAY Y304656007MAY 306207007MAY Y303877007MAY Y303879008WPY015825 Whirlpool Motor Clip009MAY Y053241010MAY 305186011MAY Y303945012WPY312959 Whirlpool Dryer Drum Belt013WP354987 Whirlpool C-Clip014MAY Y312527015WP6-3037050 Whirlpool Idler Pulley016SLEEVE, IDLER ARM ----S017WPW10116751 Whirlpool Screw017WPY014874 Whirlpool Screw017WP6-3033630 Whirlpool Dryer Idler Arm Assembly018WPW10116756 Whirlpool Spacer019DOWEL PIN FOR HANDLE020MAY Y313561020MAY 314847021WPY312901 Whirlpool Blow Seal022WP210684 Whirlpool Dishwasher Leveling Leg Pad023LEG, ADJUSTABLE (W/NUT)---S024WP210385 Whirlpool Lock Nut025MAY Y303361026MAY Y310376027MAY Y303442028MAY 410490029MAY Y313262030MAY 307928