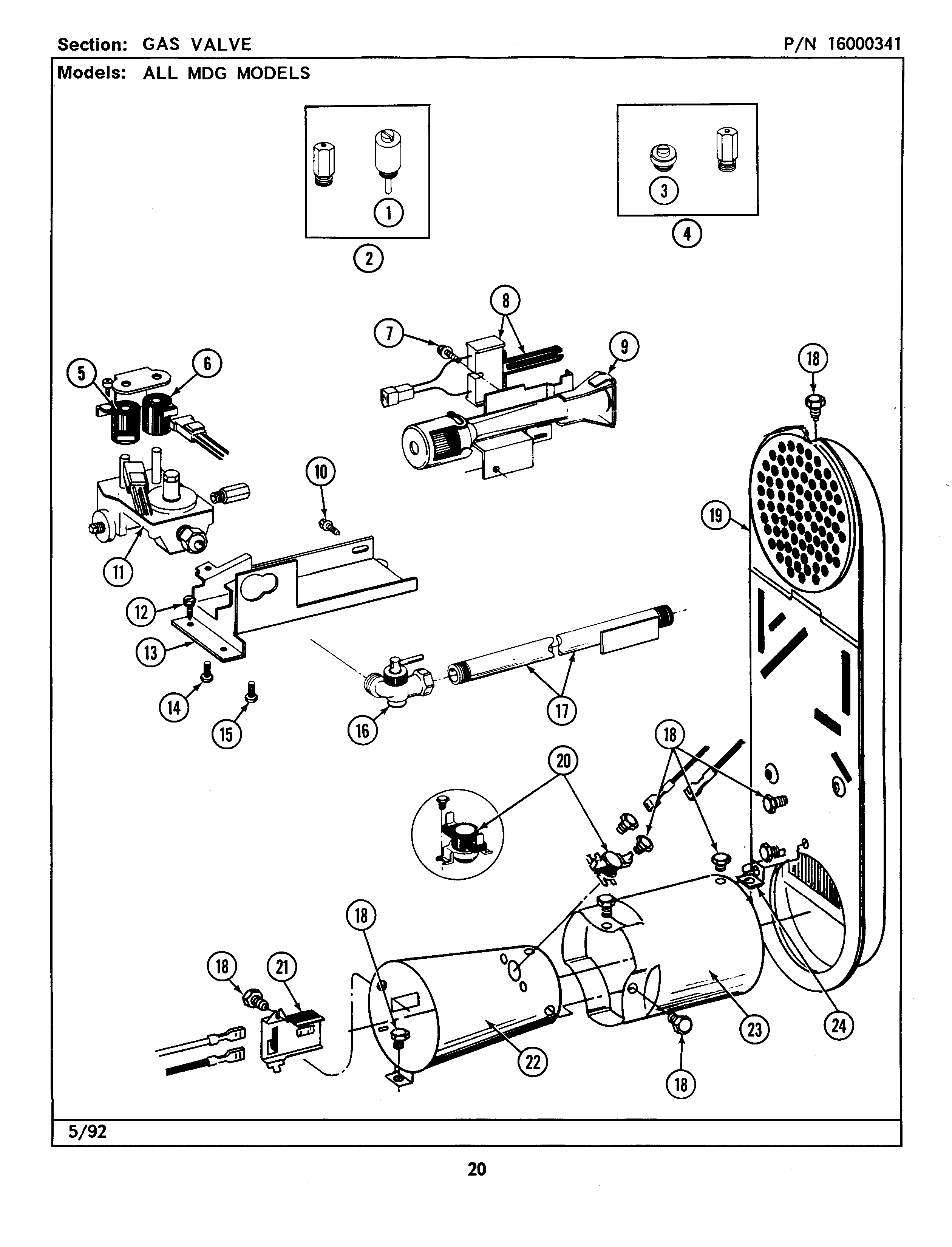
MDG27PCABW 07 – GAS VALVE