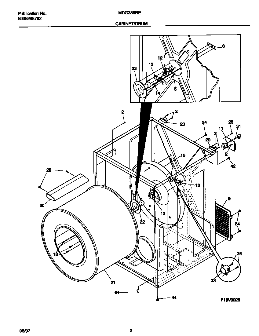
MDG336RED1 02 – CABINET/DRUMadmin2025-04-26T11:55:58+00:00MDG336RED1 02 – CABINET/DRUM ProductsPositionProduct*78320WCI 5303281153]55303281019 Frigidaire Ball Assembly65303281020 Frigidaire Ball Clip9PLATE-COVER11WCI 13136320012131825900 Frigidaire Dryer Rear Drum Bearing Support Cup White13131724301 Frigidaire Dryer Drum Bearing Bracket14131205400 Frigidaire Screw15WCI 13140950018131168200 Frigidaire Dryer Screw20WCI 13146910021134138400 Frigidaire Drum Kit Assembly O/S3 Xxx255303015671 Frigidaire Bracket Termination Screw29131382300 Frigidaire Screw-VANE30137552900 Frigidaire Vane31CORD-SERVICE32131777700 Frigidaire Dryer Bearing Drum335308015399 Frigidaire P-1 THERMSTAT-Safety34131243700 Frigidaire Screw44LEG-LEVELING64WCI 131353500