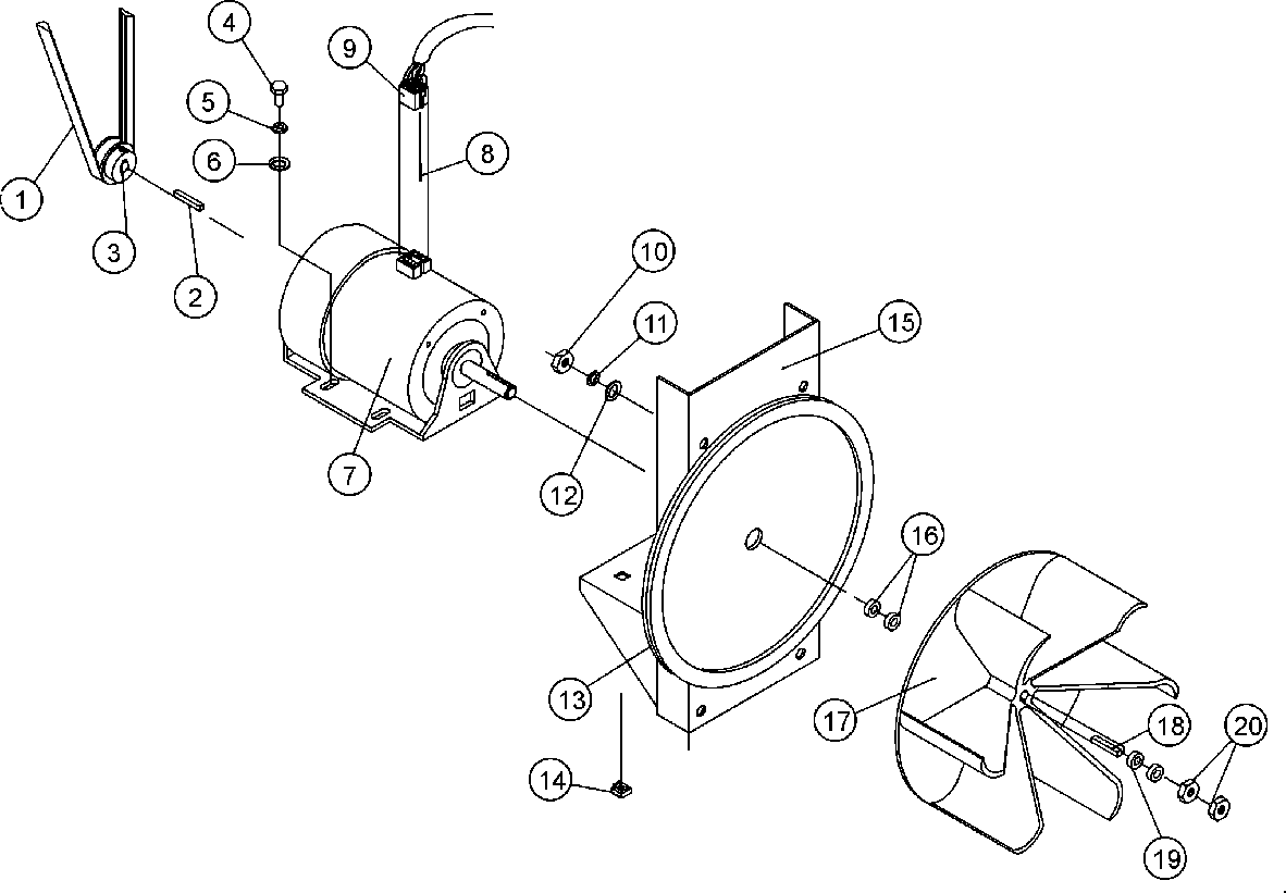
MDG50MNVWQ 14 – MOTOR MOUNT