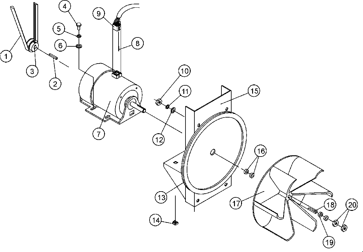
MDG50MNVWW 14 – MOTOR MOUNTadmin2025-04-26T09:20:13+00:00MDG50MNVWW 14 – MOTOR MOUNT ProductsPositionProduct000ORDER PART FROM AMERICAN DRYER No.508-678-9000001MAY A100105002MAY A100701003MAY A101104004MAY A1505010073/4 HP 115V 10 MOTOR W/PLUG 56008MAY A122701008MAY A122801009MAY A137030010MAY A152004011MAY A153002012MAY A153001013MAY A117604014MAY A154000015MAY A850017015MAY A817029017MAY A100604018MAY A100702019WASHER, FLAT (1/2``) QUANTITY AS REQUIRED020MAY A152006