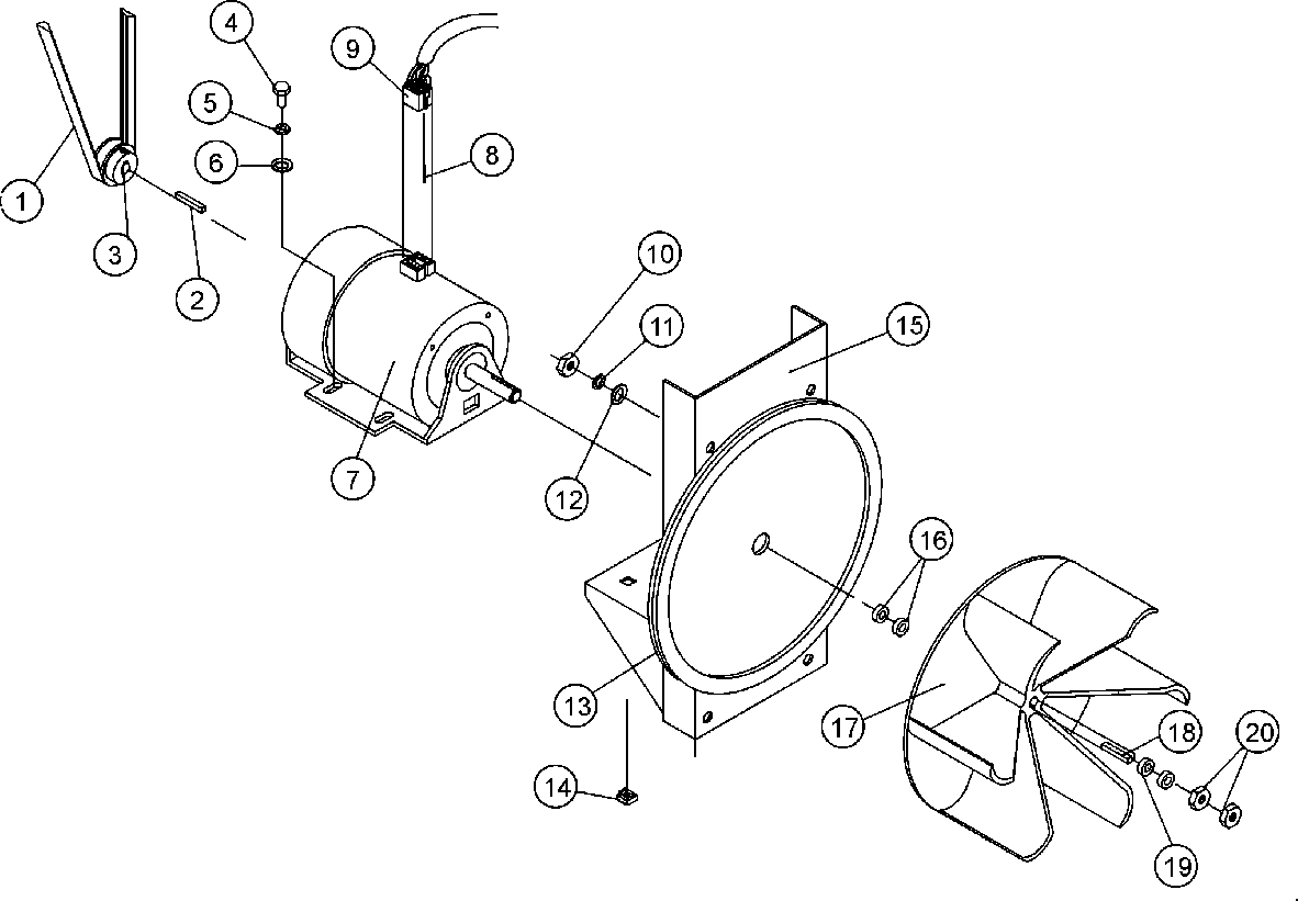
MDG50PNTVQ 14 – MOTOR MOUNTadmin2025-04-26T09:20:40+00:00MDG50PNTVQ 14 – MOTOR MOUNT ProductsPositionProduct000ORDER PART FROM AMERICAN DRYER No.508-678-9000001MAY A100105002MAY A100701003PULLEY, MOTOR (5/8`` X 2``) (USED ON 1HP. 60HZ MOTORS)004MAY A150501007MAY A100007008MAY A122701008MAY A122801009MAY A137030010MAY A152004011MAY A153002012MAY A153001013MAY A117604014MAY A154000015MAY A850017015MAY A817080017MAY A100604018MAY A100702019WASHER, FLAT (1/2``) QUANTITY AS REQUIRED020MAY A152006