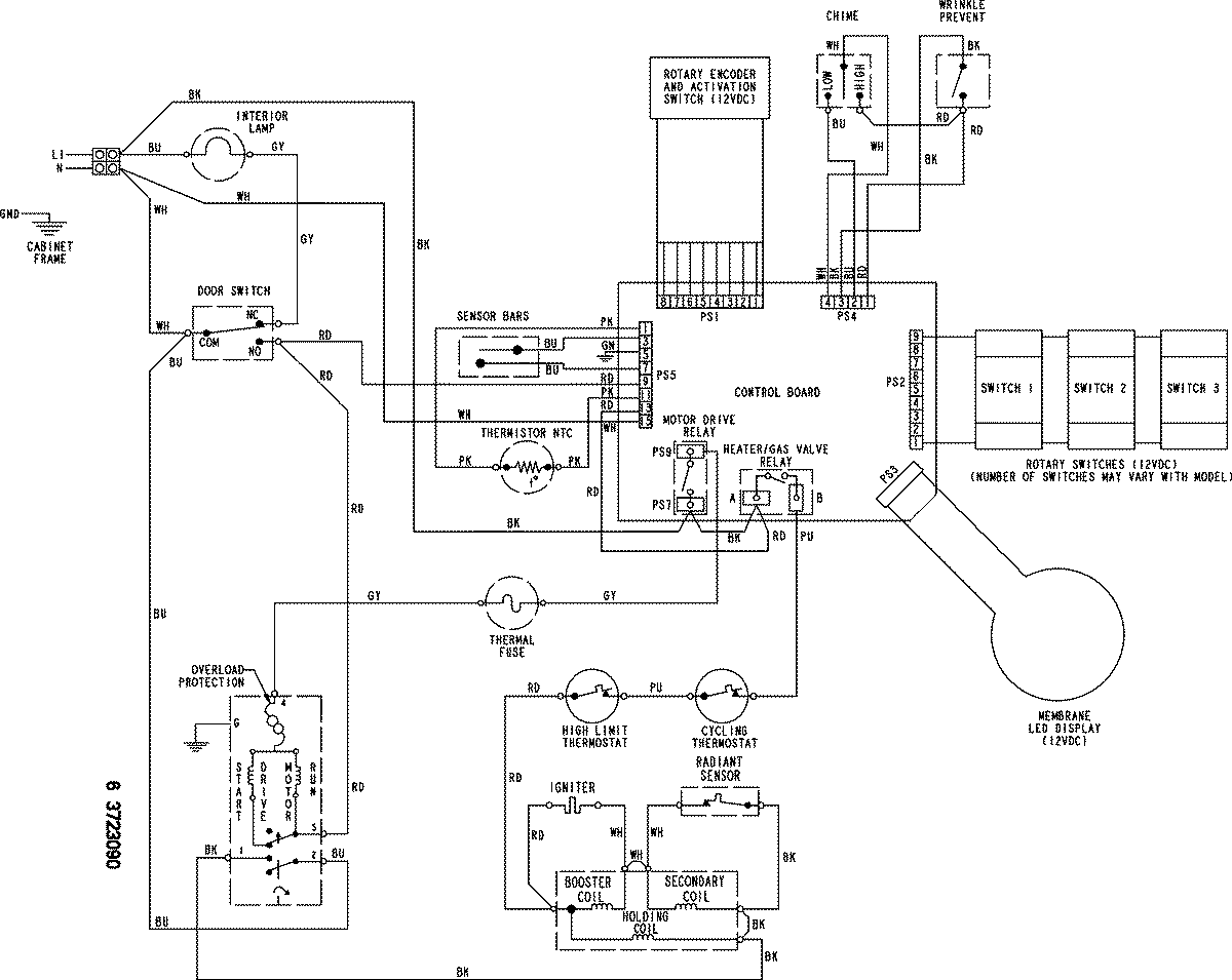
MDG5806AWK 06 – WIRING INFORMATIONadmin2025-04-26T09:21:50+00:00MDG5806AWK 06 – WIRING INFORMATION ProductsPositionProductNIMAY 15003776