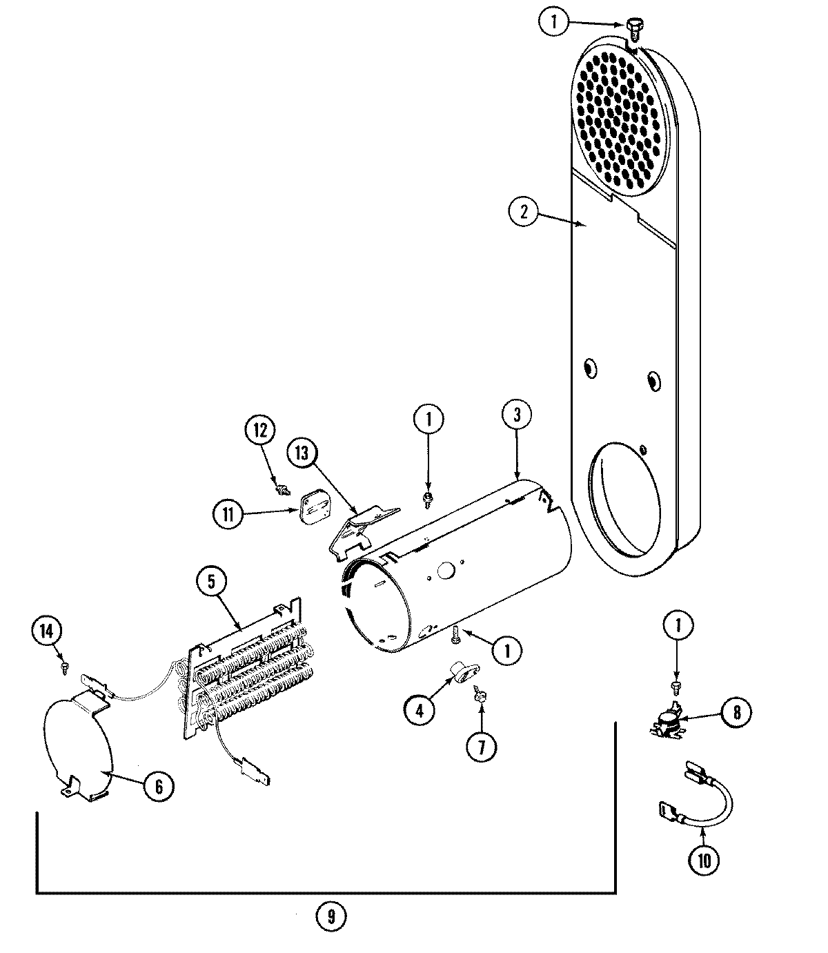
MDG6200AWQ 06 – HEATER