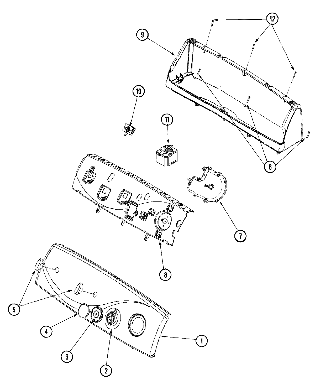
MDG6400AWQ 02 – CONTROL PANEL