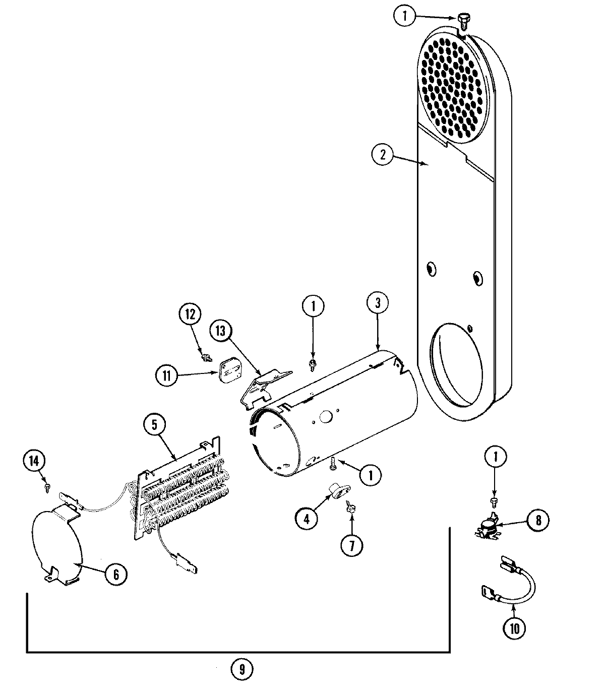
MDG7460AWW 05 – HEATER