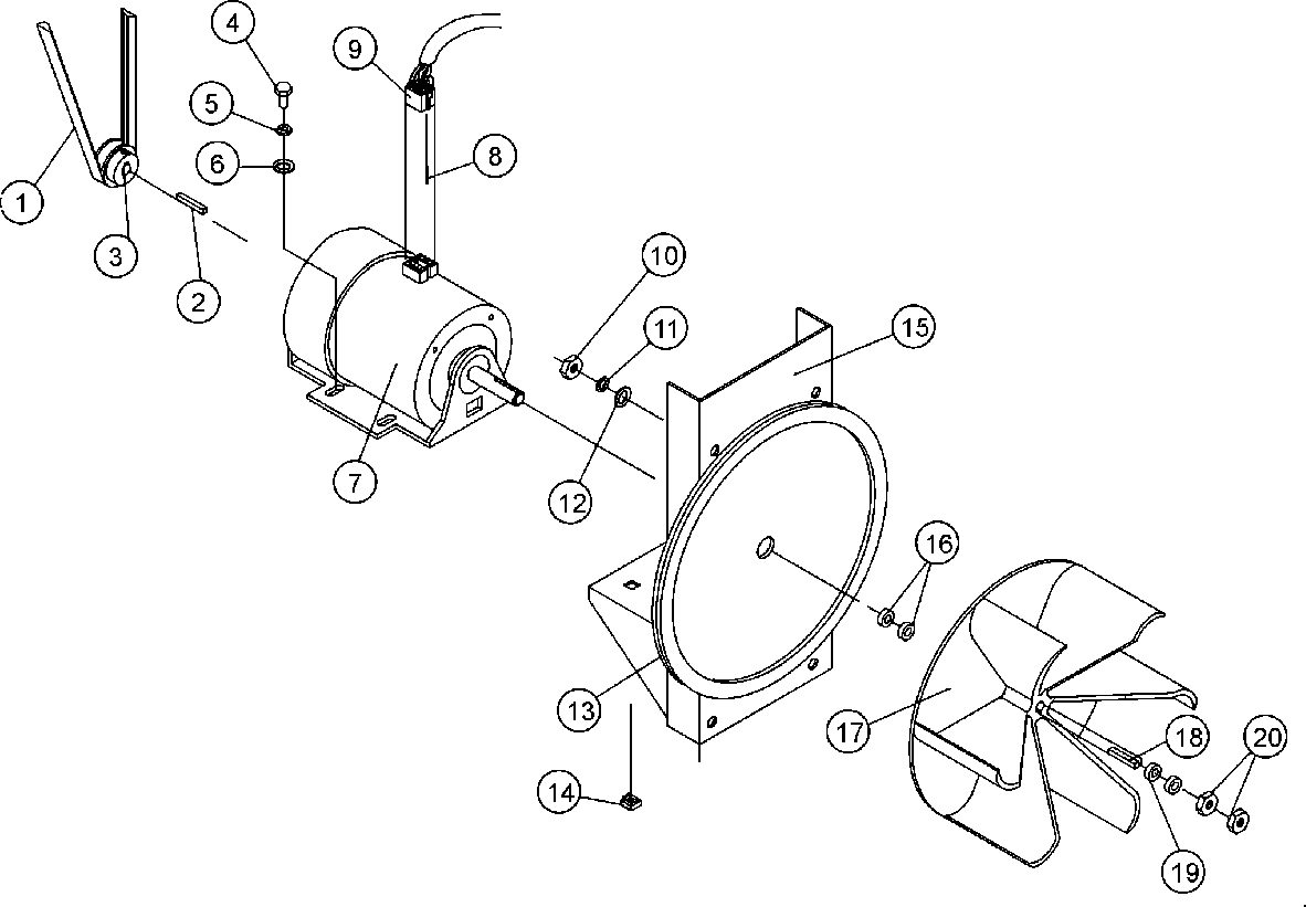
MDG75PNHWQ 14 – MOTOR MOUNTadmin2025-04-26T09:21:39+00:00MDG75PNHWQ 14 – MOTOR MOUNT ProductsPositionProduct000ORDER PART FROM AMERICAN DRYER No.508-678-9000001MAY A100194002MAY A100701003MAY A101133004MAY A150501007MOTOR W/PLUG (1HP, 60HZ, 10 T.E.F.C.)008MAY A122701008MAY A122801009MAY A137030010MAY A152004011MAY A153002012MAY A153001013MAY A117604014MAY A154000015MAY A850018015MAY A803945016MAY A153051017IMPELLER (16`` WITH 3/4`` BORE)018MAY A100702019WASHER, FLAT (1/2``) QUANTITY AS REQUIRED020MAY A152006