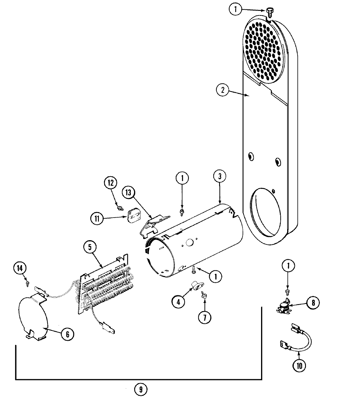
MDG7600AWQ 06 – HEATER